MACOM CMPA5259050S-AMP1テストボード

Wolfspeed CMPA5259050S-AMP1テストボードは、CMPA5259050Sアンプを素早く簡単に実証できるように設計されています。CMPA5259050S GaN MMICパワーアンプは、高出力と電力付加効率が可能になる二段反応整合アンプ設計アプローチを搭載しています。窒化ガリウム(GaN)高電子移動度トランジスタ(HEMT)ベースのモノリシック・マイクロ波集積回路(MMIC)は、小信号利得27dB、PSAT標準65W、最高28Vまでの動作が特徴です。

Wolfspeed CMPA5259050S-AMP1テストボードは、CMPA5259050Sアンプを搭載しています。

特徴

  • 標準電力付加効率>50%
  • 小信号ゲイン: 27dB
  • PSAT標準65W
  • 最大28Vで動作
  • 高破壊電圧
  • 高温時動作

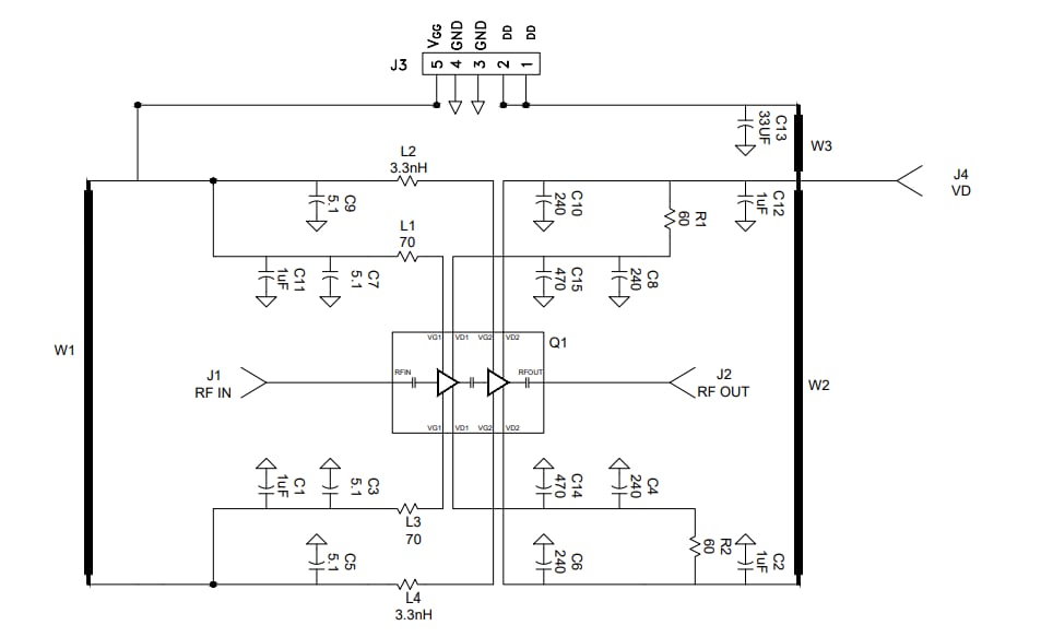
デモアンプの図式

回路図 - MACOM CMPA5259050S-AMP1テストボード
公開: 2022-05-25 | 更新済み: 2024-01-18