MACOM MAAM-011252/-011305 Gain Block Amplifiers
MACOM MAAM-011252/-011305 Gain Block Amplifiers are single-stage MMIC low-noise amplifiers in a lead-free 2mm 8-LD PDFN package. These high dynamic range amplifiers come with 50Ω internal matching to provide flat gain and good return losses up to 8GHz without external matching components. The use of external matching may lead to the extension of the usable frequency range beyond 8GHz. The MAAM-011252/-011305 gain block amplifiers feature an integrated active bias circuit that allows direct connection to 3V or 5V bias. The VBIAS can act as an enable pin that helps turn the device on and off during the operation. These low noise amplifiers operate from -40ºC to 85ºC and are RoHS compliant.Features
- Internal matching to 50Ω
- 3V to 5V single voltage bias
- Integrated active bias circuit
- RoHS compliant
Specifications
- 0.03GHz to 8GHz wide frequency range
- MAAM-011252:
- 19.5dB flat broadband gain to 8GHz
- Low noise figure:
- 1.2dB noise figure to 1.5GHz
- 1.7dB noise figure at 6GHz
- 2.3dB noise figure at 8GHz
- High linearity OIP3:
- 34dBm at 2.5GHz
- 32dBm at 6GHz
- 27dBm at 8GHz
- 20mA to 90mA current adjustable
- MAAM-011305:
- 16dB flat broadband gain to 8GHz
- Low noise figure:
- 1.7dB noise figure to 1.5GHz
- 2.5dB noise figure at 6GHz
- 3.4dB noise figure at 8GHz
- High linearity OIP3:
- 35dBm at 2.5GHz
- 32dBm at 6GHz
- 27dBm at 8GHz
- Halogen-free green mold compound
- 25mA to 90mA current adjustable
- -40ºC to 85ºC operating temperature range
Applications
- ISM
- Multi market
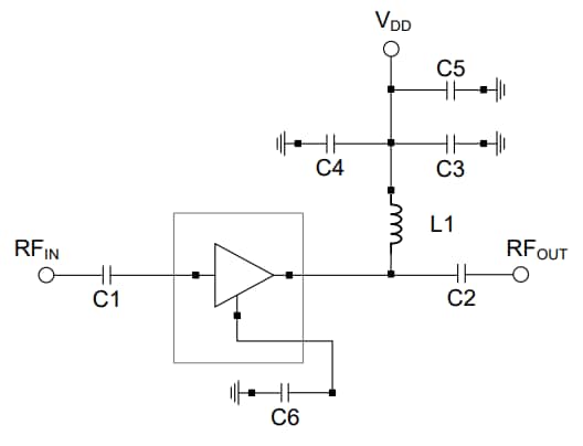
Application Circuit Diagram
Datasheets
公開: 2023-01-02
| 更新済み: 2023-02-22
