MaxLinear MxL8312x Half-Duplex RS-485/422 Transceivers
MaxLinear MxL8312x Half-Duplex RS-485/422 Transceivers include the MxL83121 and MxL83122 (MxL8312x family) devices, which support up to 500kbps communication in harsh industrial environments. The MaxLinear MxL8312x transceivers contain one driver and one receiver. The bus pins tolerate high levels of IEC electrical fast transients (EFT) and IEC electrostatic discharge (ESD), providing an extended common mode range. These transceivers with slew-controlled 250kbps and 500kbps speeds are specifically designed to excel at long-distance communication. The combination of integrated EFT and ESD protection, wide common mode, and low slew rate provide a high degree of protection, immunity to noise, and ultra-low EMI.A high receiver input impedance allows 256 transceivers to share a common data bus while maintaining signal margin without excessive loading or expensive repeaters. Enhanced failsafe circuitry ensures receivers provide the expected output when the bus is shorted or left open under terminated/unterminated conditions. Drivers include built-in short-circuit protection and thermal overload shutdown to protect against excessive power dissipation from bus contention.
Features
- Meets or exceeds the requirements of the TIA/EIA-485A standard
- Low slew-rate drivers for reliable long-distance communication
- Differential output exceeds 2.1V for PROFIBUS compatibility with a 5V supply
- Wide 3.0V to 5.5V supply range
- Extended -40°C to +125°C operating temperature range
- Extended ±12V operational common-mode range
- Low-power shutdown mode
- Enhanced failsafe protection for open, short, and idle
- Glitch-free power-up/down hot plug capability
- 1/8 unit load (256 bus nodes)
- Drop-in compatible NSOIC package
- Robust system protection
- ±2kV EFT (IEC 61000-4-4)
- ±12kV ESD Contact (IEC 61000-4-2)
- ±15kV ESD Human Body Model (HBM)
- NSOIC8 package
Applications
- Motor drives
- HVAC systems
- Industrial and single-board computers
- Smart grids
- Building security and automation
- Industrial and process control equipment
- Industrial transport
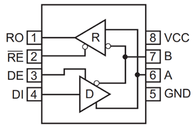
8-Pin Half-Duplex
公開: 2024-10-14
| 更新済み: 2024-12-02
