Maxtena MEA-700-2700-N Omnidirectional Antenna
Maxtena MEA-700-2700-N Omnidirectional Antenna is a dipole and high-performance antenna that covers 700MHz to 960MHz and 1700MHz to 2700MHz broad frequency range. This rugged antenna comes with an N-type connector and is IP65-rated. The MEA-700-2700-N antenna features 4G/3G/2G bands, 4.5dBi peak gain, 50Ω impedance, vertical (linear) polarization, and 2.5:1 maximum VSWR. This antenna offers approximately 76% efficiency. The MEA-700-2700-N antenna is ideal for applications such as IoT, telematics, asset tracking, fleet tracking, and automotive.Features
- 4G/3G/2G bands
- 700MHz to 960MHz and 1700MHz to 2700MHz broad frequency range
- Omnidirectional radiation pattern
- 4.5dBi peak gain
- 50Ω impedance
- IP65-rated
- Vertical (linear) polarization
- 2.5:1 maximum VSWR
- Includes mounting bracket
- 20mm antenna diameter
- Fiberglass radome material
- RoHS compliant
Applications
- M2M requirements
- IoT
- Telematics
- Asset tracking
- Fleet tracking
- Automotive
Performance Graph
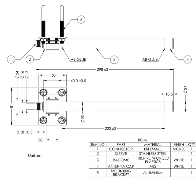
Mechanical Diagram
Videos
公開: 2025-02-24
| 更新済み: 2025-03-03
