MEAN WELL BIC-2200 AC/DC双方向電源
MEAN WELL BIC-2200 AC/DC双方向電源は、2.2KWの完全デジタル電源で、1U低背設計のエネルギーリサイクル機能が搭載されています。これらは、エネルギーのリサイクルを目的にACグリッドからDCおよびDCからACグリッドに転送される電力を制御するように設計されています。内蔵機能には、能動電流共有、リモートON/OFF制御、オプションのCANBusプロトコルがあります。MEAN WELLのBIC-2200 AC/DC双方向電源は、バッテリフォーメーションおよび試験装置、V2G(車両-to-グリッド)システム、充電ステーション、レーザーシステム、Kineticリカバリシステムの設計柔軟性を実現しています。特徴
- 1U低背設計
- AC/DCおよびDC/AC変換の両方で93%の変換効率がある完全デジタル設計
- AC/DCおよびDC/ACの間で1msという超高速スイッチング時間
- CB/UL/TUV CB/TUV/UL 62368-1認証を取得済(IEC 62477規制を基準とした設計)
- 能動電流共有機能最大11,000W (4+1)
- CANBusコマンドを用いた強制充電および放電モード(オプション)
- 保護
- 単独運転防止
- ACフェイル
- DC OVP
- OLP
- OCP
- OTP
- 両方の変換モードで3%未満の低THDi
- 5年間保証
アプリケーション
- 電池フォーメーションとグレーディング(等級の区別)
- V2G(車両対グリッド)システム
- 海洋バッテリ充電器モジュール
- 電動バイクまたは車両充電ステーション
- Kineticエネルギー・リカバリ・システム
- 電解システム
- 下水処理システム
仕様
- ACからDCへの方向
- 出力
- 12VDC~96VDC電圧範囲
- 22.5A~180A定格電流範囲
- 2160W定格電力
- 160mVp-p~480mVp-p最高リップルおよびノイズ範囲
- ±1.0%電圧許容差
- ±0.5%ライン/負荷安定化
- 入力
- 180VAC~264VAC電圧範囲
- 周波数範囲:47Hz~63Hz
- 効率性90%~93%
- 11A/230VAC標準AC電流
- 35A/230VAC標準突入電流(コールドスタート)
- <2mA/230VAC漏れ電流
- 出力
- 寸法330mm x 140mm x 41mm(LxWxH)
- DCからACへの方向
- 入力
- 1800W定格入力電力
- 12V~112Vフルパワー電圧範囲
- 10VDC~112VDC電圧範囲
- 18.75A~150A最大入力電流
- 出力
- 180VAC~264VAC電圧範囲
- 周波数範囲:47Hz~63Hz
- 7.5A/230VAC標準AC電流
- 効率性90.5%~93%
- 入力
- 温度範囲
- -30°C~+70°C(動作)
- 保存温度:-40°C~+85°C
- 相対湿度(結露なし)
- 20%~90%(動作)
- 10%~95%(保存)
ビデオ
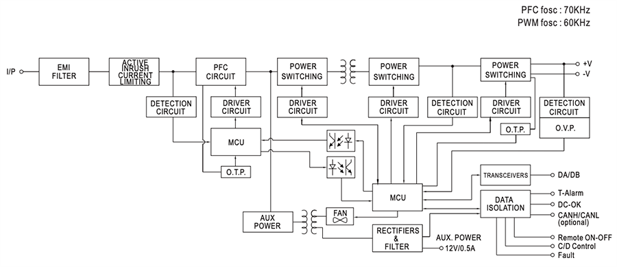
ブロック図
その他の資料
View Results ( 4 ) Page
| 部品番号 | データシート | 説明 |
|---|---|---|
| BIC-2200-24 | ![]() |
Power Supplies - Chassis Mount A/D +24V90A ; D/A +24V75A |
| BIC-2200-48 | ![]() |
Power Supplies - Chassis Mount A/D +48V45A ; D/A +48V37.5A |
| BIC-2200-96 | ![]() |
Power Supplies - Chassis Mount A/D +96V22.5A ; D/A +96V18.5A |
| BIC-2200-12 | ![]() |
Power Supplies - Chassis Mount A/D +12V180A ; D/A +12V150A |
公開: 2021-08-02
| 更新済み: 2025-08-12

