MEAN WELL DLC-02 DALIコントローラ/ゲートウェイ
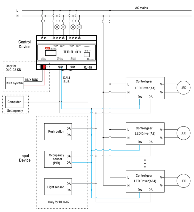
MEAN WELL DLC-02 DALIコントローラ/ゲートウェイは、DALI入力デバイスからDALI-2システム情報を取得してDALI ECGを制御するマルチマスタ・アプリケーション・コントローラで、照明効果を生み出すことができます。DALIバスに接続されている機器は、PCソフトウェアを介してスキャン、設定、セットすることができ、DALI照明システムを簡単にインストールできます。DLC-02には、絶縁プラスチックケース化によるClass IIおよびDINレール取付設計(幅144mm)が採用されており、他のビルオートメーション製品と簡単に集積できるように分配ボックスにすばやく設置できます。このシリーズは、最新のDALI-2コントローラ規制にも準拠しており、DALIバス出力の2チャンネルを実現しています。特徴には、最大250mAを実現する内蔵DALI電源があり、各チャンネルを最大で64大の照明器具および12個の壁スイッチまたはセンサと接続できます。集積DALI-2リレー制御機能を使用すると、電気デバイスまたはカーテンモーターの制御が可能になります。インストーラは、内蔵タイマ機能を使用して完了させることができるように照明器具を自動的に管理するためのスケジュール調整を実施します。インストーラを使用すると、光シーンの設定および制御のグループ化も実現できます。
DLC-02-KNの部品はKNX to DALIゲートウェイで、デジタルDALI照明システムをKNX設置に接続するために使用できます。また、接続されているKNXシステムのスイッチおよび調光コマンドをDALIテレグラムに変換し、DALIバスからのステータス情報をKNXテレグラムに変換します。
特徴
- DALI-2マルチマスタ・アプリケーション・コントローラ
- 内蔵DALI電源(バスあたり最大250mA)搭載の独立したDALIバスチャンネル
- 最大で2 x 64DALI ECG/ドライバおよび最大で2 x 12 DALI入力デバイスを接続
- 1チャンネルあたり最大16のシーンとグループ設定
- LCDディスプレイとLEDインジケータ/ボタン(ローカル動作用)
- 内蔵250V/5A x 4リレー
- PCソフトウェアまたはWebブラウザからの簡単なインストールと設定
- 時間事象と入力デバイスに基づいた複数の制御効果
- DALI-2(207/208/301/302/303/304部品)のサポート
- 5年間保証
アプリケーション
- オフィス照明
- スマートホーム照明
- 高級ヴィラ照明
- LED屋内照明
- ビルオートメーションシステム
仕様
- 出力
- 2x 16V範囲内蔵DALIバス電源
- 2x 250mA最大供給電流、2x 240mA保証
- 7.68W電力
- 115VACで250msのセットアップ時間
- 230VACで50msの立ち上がり時間
- 機能
- 1x USBスレーブコネクタ(Type-B)
- OLEDディスプレイ
- インジケータ
- 2x LEDインジケータ(バス電圧用)
- 4x LEDインジケータ(リレー用)
- 1x LEDインジケータ(電源ON用)
- 設定をセットおよび表示するための、フロントパネルにある3つのボタンの一般的な設定(MOVE、SET、ESC)
- Webブラウザ経由のイーサネット制御
- リレー
- 125VACで10A
- 250VACで5A
- 入力
- 100VAC~305VAC/140VDC~430VDC範囲
- 周波数範囲:47Hz~63Hz
- 230VACで45A標準突入電流(コールドスタート)
- AC電流
- 230VACで0.25A
- 115VACで0.5A
- 短絡保護機能
- 環境面の特徴
- 温度範囲
- -25°C~+45°C(動作)
- -25°C~+70°C(保存)
- 相対湿度(結露なし)
- 5%~93%(動作)
- 10%~95%(保存)
- 温度範囲
- 寸法144mm x 90mm x 58.3mm(LxWxH)
ブロック図
設置図
その他の資料
公開: 2021-08-02
| 更新済み: 2025-11-11
