MEAN WELL GD2 IGBT DC/DCコンバータ
Mean Well GD2 IGBT DC/DCコンバータは、国際標準規格のピン配置のコンパクトなSIP7 パッケージで提供され、-40°C〜+90°Cの温度範囲で動作します。これらのコンバータは、2Wの絶縁型 レギュレータ非搭載モジュールタイプで、最大82%の高効率、4.3KVACまたは6.2KVDCの高いI/O絶縁定格、および連続短絡保護を提供します。GD2コンバータは、12V/15V/24V ±10%の様々な入力電圧、および異なる正負の出力電圧に対応します。Mean Well GD2 IGBT DC-DCコンバータは、ワイヤレスネットワーク、産業ロボティクス、モータドライブ、ソーラーインバータ、誘導加熱、データコムシステムに適しています。
特徴
- 国際規格ピン配列のSIP7パッケージ
- IGBT/SiC向けに最適化された性能
- バイポーラ非対称型、非安定型出力
- 低絶縁バリア容量 (CIO)
- 継続的な短絡保護
アプリケーション
- サーバ・テレコム/データコム・システム
- ワイヤレスネットワーク
- 工業制御装置
- 産業用ロボット工学
- モータードライバ
- ソーラーインバータ
- 誘導加熱
仕様
- 高いI/O絶縁:4.3KVACまたは6.2KVDC
- 100ms最大起動時間
- 2W定格電力
- リップルノイズ定格:50mVp-p
- 絶縁容量 5pF
- 負荷安定化:±5%
- 動作温度範囲:-40°C~+90°C
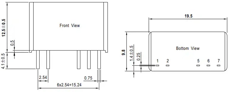
- 寸法:19.5mm x 9.8m x 12.5mm
寸法
EMCに関する注意
その他の資料
公開: 2024-10-08
| 更新済み: 2024-11-07
