MEAN WELL NPB-450インテリジェント・バッテリ充電器
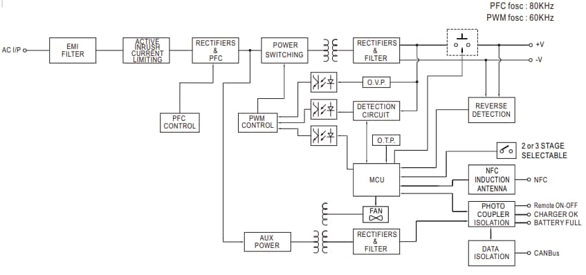
Mean Well NPB-450インテリジェントバッテリ充電器は、ミニチュア化された汎用充電器で、自動バッテリ電圧検出技術を用いて設計されています。 これらの充電器には、近距離通信(NFC)が搭載されており、充電パラメータをセットアップして2/3段充電を選択できます。NPB-450充電器には、充電曲線のリモート設定と充電器ステータスの監視を目的とした、内蔵CANBusプロトコルが搭載されています。フロントパネルのDIP S.Wを使用するとユーザーは、2/3段充電を手動で調整し、4種類のプリセット充電曲線から選択できます。NPB-450充電器には、短絡、過電圧、過温度、バッテリ逆接続に対する保護が備わっています。NPB-450充電器は、ノイズ低減のための熱制御DCファン、リモートON/OFF制御、バッテリから流れる<1mAの標準漏れ電流が特徴です。また、これらのバッテリ充電器は、20% RH ~ 95% RHの作動湿度(非結露)、47Hz~63Hzの周波数範囲、過熱時の充電のための自動電力低減も備わっています。NPB-450充電器は、CB、UL、DEKRA、CE、UKCAによって認証されています。これらの充電器は、AGV、ロボット芝刈り機、監視システム、洗濯ロボット、電動バイク、通信基地局で使用されています。
特徴
- 充電曲線のリモート設定と充電器ステータスの監視を目的とした内蔵CANBus通信インターフェイス
- NFCインターフェイスを使用すると、2/3充電の選択と充電パラメータの設定が可能
- DIP S.W.を使用すると、2/3充電および4つのプリセット充電曲線の間で選択が可能
- 過熱時の充電のための自動電力低減
- ノイズ低減のための熱制御DCファン
- 急速なバッテリ劣化を防止する外部NTC温度補償
- 鉛酸およびリチウム電池に最適
- 複数のインテリジェント保護:
- 短絡
- 過電圧
- 温度過昇
- バッテリ残量が少ない
- バッテリ逆接続
- CB、UL、DEKRA、CE、UKCA認証を取得済み
- 3年間保証
アプリケーション
- 監視システム
- バス、電動自転車、電動バイク、キャンピングカー
- ロボット芝刈り機
- 洗濯ロボット
- レクリエーション用船舶、個人用ヨット、作業船
- 無人搬送車(AGV)
- 通信基地局
- 無線システムバックアップソリューション
- 予備バッテリ搭載の機器または器具
仕様
- NPB-450-12NFC:
- 出力電圧範囲: 10.5V~21V
- 25A(最大)出力電流
- 出力電力: 420W最高
- 推奨バッテリ容量: 90AH ~ 300AH
- APB-450-24NFC:
- 出力電圧範囲: 21V~42V
- 最大出力電流: 13.5A
- 出力電力: 453.6W最高
- 推奨バッテリ容量: 45AH ~ 155AH
- NPB-450-49NFC:
- 出力電圧範囲: 42V~80V
- 最大出力電流: 6.8A
- 出力電力: 456.96W最高
- 推奨バッテリ容量: 24AH ~ 80AH
- NPB-450-72NFC:
- 出力電圧範囲: 54V~100V
- 最大出力電流: 5.5A
- 出力電力: 462W最高
- 推奨バッテリ容量 19AH~64AH
ブロック図
アプリケーションの例
公開: 2023-11-06
| 更新済み: 2024-10-07
