MEAN WELL UHP-1500 1500W電源
MEAN WELL UHP-1500 1500W伝導冷却(PFCスイッチング電源搭載)は、初の伝導冷却シリーズで、内蔵PMBusまたはCANBus(お客様による選択)が搭載された通信機能が装備されています。通信プロトコルによって、データセンター、ネットワーク機器、あるいは充電システムといったシングルエンドシステムに電源をシームレスに統合できます。独自のファンレス設計によって、ホコリによるファンの故障を防止し、デバイスの保守に要するコストと頻度を低減します。この電源には、外部DC制御信号によって出力電圧を50~120%の間で、電流を20~100%の間で調整できるプログラマブル電圧と電流(PV/PC)機能が装備されています。UHP-1500は、EN60335-1家電安全基準に準拠しており、–30°C~+70°Cの広い動作温度範囲があります。特徴
- 超低高さ: 41mm
- ファンレス伝導冷却設計
- 完全範囲: 90〜264VAC入力
- 高い効率性: 最大96%
- 動作標高最高5000メートル
- UL/TUV/EAC/CB/CE安全認証済
- 動作温度範囲: -30º~+70º
- 保護: 短絡/過負荷/過電圧/過温度
- 寸法(LxWxH): 290 x 140 x 41mm
- 5年間保証
アプリケーション
- 産業用オートメーションマシン
- 産業用制御システム
- 機械および電気機器
- 電子計器、機器、または装置
- 試験と計測機器
- レーザー関連マシン
- 充電関連機器
- 家庭用電化製品
ビデオ
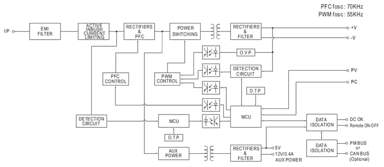
ブロック図
Additional Resources
公開: 2019-08-21
| 更新済み: 2026-03-05
