Micro Crystal RV-8263-C8 Real-Time Clock (RTC) Modules
Micro Crystal RV-8263-C8 Real-Time Clock (RTC) Modules with I2C-bus interface incorporate an integrated CMOS circuit together with a built-in tuning fork crystal oscillating at 32.768kHz. These modules feature a programmable offset register for frequency adjustment. The RV-8263-C8 RTC modules provide automatic leap year calculation (2000 to 2099), and the alarm interrupts for year, month, date, weekday, hours, minutes, and seconds settings. These CMOS real-time clock/calendar modules are ultra-small, low-profile, lightweight, and designed with a low power consumption of 190nA at 3V. The RV-8263-C8 RTC modules are specially designed for miniature and cost-sensitive high-volume applications, including IoT, metering, industrial, automotive, healthcare, wearables, and portables.Features
- RTC module with built-in "Tuning Fork" crystal oscillating at 32.768kHz
- Counters for seconds, minutes, hours, date, weekday, months, and year
- Programmable offset register for frequency adjustment
- Automatic leap year calculation (2000 to 2099)
- Alarm interrupts for second, minutes, hour, date, and weekday settings
- Countdown timer interrupt function
- Minute and half-minute interrupt
- Oscillator stop detection function
- Internal Power-On Reset (POR)
- Programmable clock output for peripheral devices (32.768kHz, 16.384kHz, 8.192kHz, 4.096kHz, 2.048kHz, 1.024kHz, and 1Hz) with enable/disable function (CLKOE)
- I2C-bus interface (up to 400kHz)
- 0.9V to 5.5V wide operating voltage range
- 1.8V to 5.5V wide interface operating voltage
- 190nA low current consumption @ (VDD=3V, TA=25°C)
- -40°C to 85°C operating temperature range
- Ultra-miniature ceramic SMD package with metal lid
- RoHS-compliant and 100% lead-free
- 2mm x 1.2mm x 0.7mm dimensions
- Ultra-low profile (maximum height 0.7mm), lightweight (5.1mg)
- Automotive qualification according to AEC-Q200 available
Applications
- IoT
- Metering
- Industrial
- Automotive
- Health care
- Wearables
- Portables
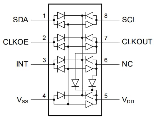
Block Diagram
Device Protection Diagram
Additional Resource
公開: 2024-04-19
| 更新済み: 2024-05-07
