Microsemi / Microchip AgileSwitch® 2ASC-12A1HP SiCゲートドライバコア
Microsemi/Microchip AgileSwitch® 2ASC-12A1HP SiC (シリコンカーバイド)ゲートドライバコアは、ソフトウェア構成に対応しており、開発者はハードウェアの変更を心配することなくゲートドライバパラメータを自分のアプリケーションに適切に構成できます。1,200V、デュアルチャンネル2ASC-12A1HPは、100kHzの動作周波数で最大10Aのピーク電流を実現しています。高CMTIゲートドライブコアには、PWM信号と障害フィードバック用の絶縁DC-DCコンバータと低容量絶縁バリアが搭載されています。インテリジェント構成ツール
AgileSwitchインテリジェント構成ツール(ICT)を使用すると開発者は、プログラマブルSiCゲートドライバコアの性能を特定のシステムとアプリケーションに微調整できます。Augmented Switching™プロファイルのわずかな変更により、スイッチング効率、オーバーシュート、リンギング、および短絡保護が劇的に改善
されます。
特徴
- UL準拠1200V SiC MOSFETモジュール
- デュアルチャンネル
- 堅牢な高ノイズ耐性設計
- 絶縁された温度のモニタリング、PWM
- 絶縁された高電圧のモニタリング、PWM
- 2x 3W出力電力
- 最大10Aまでのピーク電流
- スイッチング周波数100kHz
- 最大7の固有の故障状態
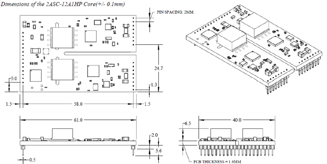
- コンパクトな40mm x 61mmフォームファクタ
- RoHS準拠
- ソフトウェアプログラマブル
- 拡張ターンオフ™ (ATOff)
- ± VGS ゲート電圧
- VGS 正+15V ~ +21V
- -5V ~ 0VのVGS 負
- 電源低電圧ロックアウト(UVLO)
- 電源過電圧ロックアウト(OVLO)
- 不飽和検出設定
- デッドタイム
- 障害ロックアウト設定
- 自動リセット設定
アプリケーション
- 重量車両
- 誘導加熱
- 補助電力装置
- バッテリーストレージ
- インバータ
- ワイヤレス充電
ビデオ
その他のリソース
ブロック図
機械図面
公開: 2020-04-23
| 更新済み: 2024-07-24
