ADM00873評価ボードは、Curiosity PIC32MZEF開発ボード(DM320104 )およびSAR ADCユーティリティソフトウェアで作動するように設計されています。Curiosity PIC32MZEF開発ボード(DM320104)は、完全に統合された32ビット開発プラットフォームで、高性能PIC32MZ EFシリーズPIC®マイクロコントローラ(PIC32MZ2048EFM100)が特徴です。DM320104は、ADM00873評価ボードから受信したデジタルデータのキャプチャに活用されます。
特徴
- フルスケールのアナログ入力範囲: -VREF~+VREF
- ADM00873(MCP33131D/21D/11D搭載): –4VPP~+4VPP
- 次のメトリックスの性能を評価: SNR、SFDR、INL、DNLなど
- ダイナミック性能のモニタリング
- 負荷ソフトウェア構成を保存およびローディングする機能
- ユーザ後処理を目的に、生データを保存およびローディングする機能
キット内容
- 1x ADM00873 SAR ADC評価ボード
- 1x 9V電源
必要な機器
- Curiosity PIC32MZEF開発ボード (DM320104)
- 別売り
- Type Aメスto-micro-B USBケーブル
- このキットには付属していません
- 外部信号入力
- ユーザによる供給
- SAR ADCユーティリティ・ソフトウェア
- Microchipウェブサイトで使用可能
Curiosity PIC32MZEF開発ボードに接続されているADM00873
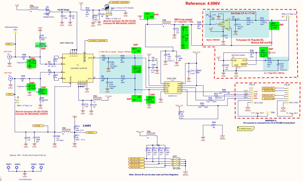
回路図
公開: 2019-06-13
| 更新済み: 2023-06-02

