Microchip Technology AT42QT1481静電容量式タッチ・コントローラ
Microchip Technology AT42QT1481静電容量式タッチ・コントローラは、デジタル・バースト・モード・センサで、QMatrixレイアウト・タッチ制御用に特別に設計されています。Microchip QMatrixセンシング・アルゴリズム(相互容量)によって、設計者は、このマトリックス・レイアウトのおかげで、ピンよりボタンを達成できます。AT42QT1481によって、広範なキー・サイズと形状を単一タッチ・パネルに混在させることができます。AT42QT1481は、最大48キーでの使用を目的に設計されています。; このデバイスには、条件と周波数が変化するさまざまな条件下での安定したセンシングの実現に必要な信号処理機能が搭載されています。動作には、少数の外付け部品のみ必要です。特徴
- キーの数: 最大48
- 技術: 横電荷転送(QT™)センシング、周波数ホッピング
- 主な外形サイズ: 6mm × 6mmまたはそれ以上(板厚による)、広くさまざまなサイズと形状が可能
- 主な間隔: 8mmまたはそれ以上、中心間(板厚による)
- 電極設計: 2パート・電極形状(ドライブ-受信)、さまざまなレイアウトが可能
- 必要なレイアウト: 単層(ジャンパあり)、2層(ジャンパなし)
- 電極材料: PCB、FPCB、フィルム上の銀またはカーボン、フィルム上のITO
- パネル素材: プラスチック、ガラス、複合材料、塗装面(低粒子密度金属塗料対応)
- 隣接金属:キーのすぐ隣にある接地された金属との互換性あり
- 板厚: 最高50mmガラス、20mmプラスチック(キー・サイズによる)
- キー感度: シリアル・インターフェイスからシンプルなコマンドを使用して個別設定が可能
- 信号処理: 自己較正、自動ドリフト補償、ノイズ・フィルタリング、Adjacent Key Suppression®
- 主要な故障検出とレポート
- インターフェイス:
- UART
- SPIスレーブ(4MHz最大クロックレート)
- ステータス表示ピン
- デバッグ出力
- FMEA準拠の設計の特徴
- IEC/EN/UL60730準拠の設計の特徴
- UL承認済
- VDE適合
- Class BおよびClass C安全重要製品での使用向け
- 電力: 4.75V~5.25V
- パッケージ: 44ピン10mm × 10mm TQFP
- RoHS準拠
アプリケーション
- 電化製品
- ヒューマンマシンインターフェイス
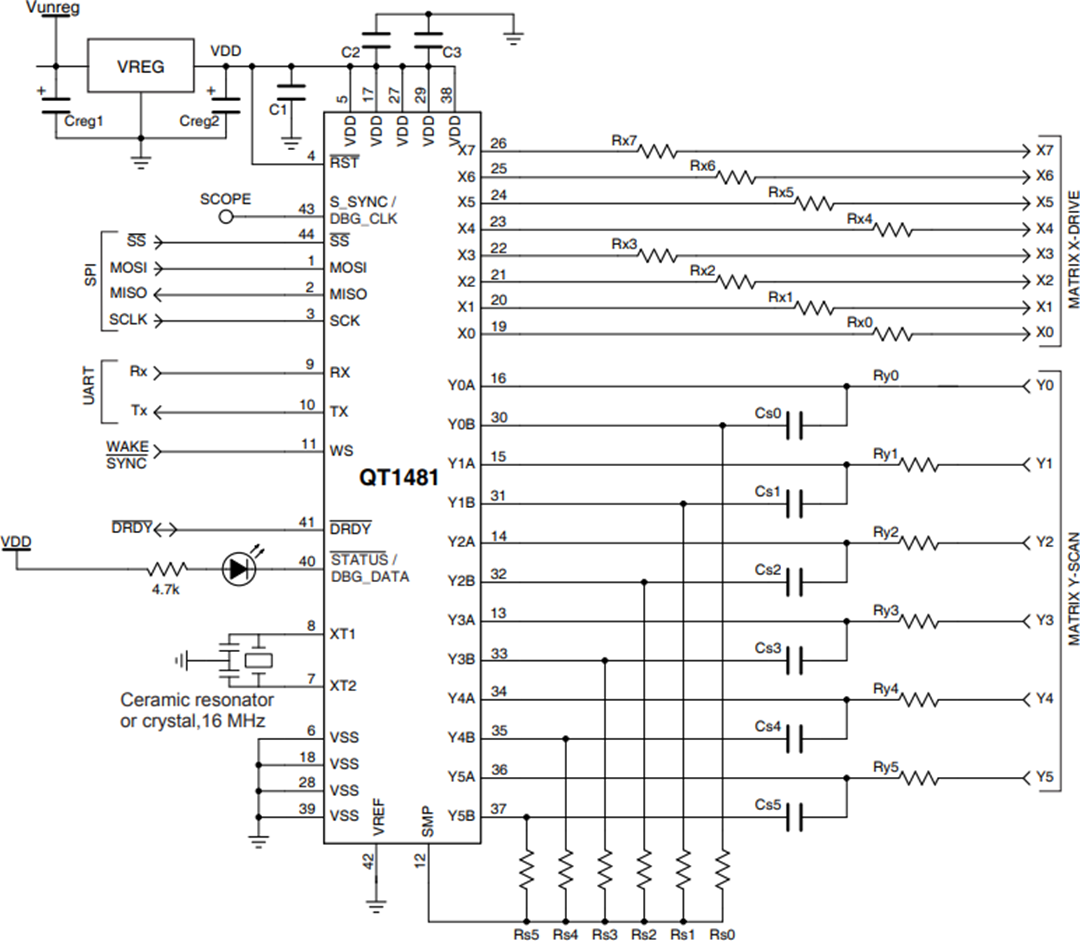
アプリケーション回路
公開: 2018-12-20
| 更新済み: 2023-01-10
