Microchip Technology ATECC608A DT100104 Trust開発ボード
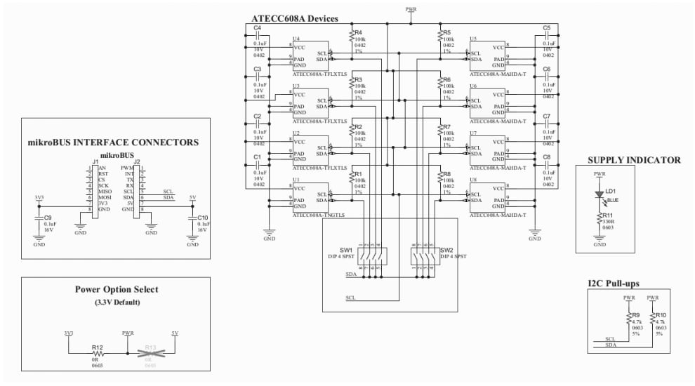
Microchip ATECC608A DT100104 Trust開発ボードは、DM320118を対象としたアドオンボードです。DT100104 Trust開発ボードには、ATECC608A-TNGTLS(Trust&GO)、ATECC608A-TFLXTLS(TrustFLEX)、ATECC608A-MAHDA(TrustCUSTOM)安全素子が含まれています。Trust&GO、TrustFLEX、TrustCUSTOMのATECC608A安全素子を使用すると、アプリケーションの要件に基づいてソリューションを開発できるようになります。DT100104 Trustボードは、mikroBUS接続がある任意のボードに接続するmikroElectronicaヘッダに対応しています。DT100104ボードは、初期の開発と試験実施用のソケットボードが必須のサンプルユニットに対する代替手段を実現しています。
特徴
- 8種類のATECC608A安全素子を含む
- 1 Trust&GO: ATECC608A-TNGTLS
- 3つのATECC608A-TFLXTLS TrustFLEX:
- 4つのTrustCUSTOM: ATECC608A-MAHDA
- 任意のmikroBUSホストヘッダに接続するためのmikroBUSヘッダ
- ATMBusAdapterを使用して任意のMicrochip Xplainedボードへの接続も可能
- 開発目的で必要になる安全素子を選択するDIPスイッチ
- 各タイプのデバイスを1つ選択する能力(最大3)
ビデオ
前面図と背面図
Xplained Pro開発プラットフォームに接続
回路図
CryptoAuth Trustプラットフォーム開発ボードに接続されたDT100104
公開: 2019-10-04
| 更新済み: 2025-07-28
