ATmega256xは、256Kバイトのインシステム・プログラマブル・フラッシュが特徴で、書込中の読取機能、4KB EEPROM、86KB SRAM、86の汎用I/Oラインが備わっています。さらに、このデバイスには、汎用ワーキング・レジスタ32台、リアルタイム・カウンタ、比較モードが搭載されたフレキシブル・タイマ/カウンタ6個、PWM、USART 6個、バイト指向2-Wireシリアル・インターフェイス、16チャンネル10ビットA/Dコンバータ、オンチップ・デバッグ処理用のJTAGインターフェイスが搭載されています。
ATmega256xには、1.8~5.5Vの動作電圧範囲があり、16MHzで16 MIPSのスループットが備わっています。デバイスは1回のクロックサイクルで強力な命令を実行し、消費電力と処理速度のバランスを保ちながら1MIPS/MHzに近いスループットを達成できます。
特徴
- 高性能、低消費電力Atmel® AVR® 8ビット・マイクロコントローラ
- 温度範囲: 工業用-40°C~85°C
- 超低消費電力
- アクティブモード: 1MHz、1.8V:500µA
- パワーダウンモード: 1.8Vで0.1µA
- 高度なRISCアーキテクチャ
- 135強力命令 – 大半のシングル・クロック・サイクル命令
- 32 × 8汎用ワーキングレジスタ
- 完全静的動作
- 16MHzで最大16MIPSのスループット
- オンチップの2サイクルマルチプライア
- 高耐久性の非揮発性メモリセグメント
- 64K/128K/256KBytesのインシステム・セルフプログラマブル・フラッシュ
- 4KB EEPROM
- 8KBytesの内部SRAM
- 書込/消去サイクル: 10,000フラッシュ/100,000 EEPROM
- データ保持: 85°Cで20年/25°Cで100年
- 独立したロックビットが備わったオプションのブートコードセクション
- オンチップ・ブート・プログラムによるインシステム・プログラミング
- 真の読み取り/書き込み動作
- ソフトウェア・セキュリティのプログラミングロック
- 耐久性: 最大64Kbyteオプション外部メモリ空間
- Atmel® QTouch®ライブラリ・サポート
- 容量式タッチボタン、スライダ、ホイール
- QTouchおよびQMatrix買収
- 最大64のセンスチャネル
- JTAG(IEEE® std. 1149.1準拠)インターフェイス
- JTAG規格に応じた境界スキャン機能
- 豊富なオンチップデバッグサポート
- フラッシュ、EEPROM、ヒューズ、ロックビットの、JTAGインターフェイスからのプログラミング
- 周辺機能
- 独立したプリスケーラとコンペアモードを搭載した2つの8ビットタイマ/カウンタ
- 独立したプリスケーラ、コンペアモード、キャプチャを搭載した4つの16ビットタイマ/カウンタ
- 独立した発振器が搭載されたリアルタイム・カウンタ
- 4つの8ビットPWMチャンネル
- 2~16ビット・プログラマブル分解能(ATmega1281/2561、ATmega640/1280/2560)が備わった6/12 PWMチャンネル
- 出力比較変調器
- 8/16チャンネル、10ビットADC(ATmega1281/2561、ATmega640/1280/2560)
- 2/4プログラマブル・シリアルUSART(ATmega1281/2561、ATmega640/1280/2560)
- マスター/スレーブSPIシリアル・インターフェイス
- バイト指向2-Wireシリアル・インターフェイス
- 個別のオンチップ発振器を搭載したプログラマブルウォッチドックタイマ
- オンチップアナログコンパレータ
- ピン変更時の割込とウェイクアップ
- マイクロコントローラ特殊機能
- パワーオンリセットおよびプログラマブルブラウンアウト検出
- 内部較正済発振器
- 外部および内部割り込みソース
- 6つのスリープモード: アイドル、ADCノイズ低減、省電力、パワーダウン、スタンバイ、拡張スタンバイ
- I/Oとパッケージ
- 54/86プログラマブルI/Oライン(ATmega1281/2561、ATmega640/1280/2560)
- 64パッドQFN/MLF、64リードTQFP(ATmega1281/2561)
- 100ピンTQFP、100ボールCBGA(ATmega640/1280/2560)
- RoHS/完全グリーン
- 速度等級:
- ATmega640V/ATmega1280V/ATmega1281V: 0-4MHz@1.8V-5.5V, 0-8MHz@2.7V-5.5V
- ATmega2560V/ATmega2561V: 0-2MHz@1.8V-5.5V, 0-8MHz@2.7V-5.5V
- ATmega640/ATmega1280/ATmega1281: 0-8MHz@2.7V-5.5V, 0-16MHz@4.5V-5.5V
- ATmega2560/ATmega2561: 0-16MHz@4.5V-5.5V
アプリケーション
- 組み込み制御
- パワーレギュレーション
- 整流
- DAC
- モータ制御
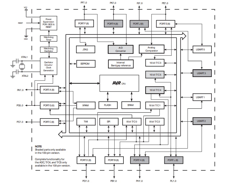
ブロック図
アーキテクチャの概要
公開: 2019-02-06
| 更新済み: 2023-05-12

