Microchip Technology DSC61x MEMSクロック・ジェネレータ
Microchip Technology DSC61x MEMSクロック・ジェネレータは、低消費電力、超小型フットプリント、クリスタルレス・ファミリのクロック・ジェネレータです。このクロック・ジェネレータは、工場出荷時の構成が可能で、DSC613 DSC610、DSC612でご用意があります。これらのDSC612は、最大2つの独立したLVCMOS出力を生成します。DSC613は、2つのPLLから最大3つのLVCMOS出力を生成します。この各出力は、2kHz〜100MHzの任意の周波数を生成するように構成できます。これらのクロック・ジェネレータは、PureSiliconTM MEMS技術によって実装されており、幅広い電源電圧および温度範囲全体で低ジッタと高い安定性を実現しています。DSC61xクロック・ジェネレータは、外部水晶を排除することで信頼性が大幅に高くなっており、製品開発を加速できます。これらのクロック・ジェネレータは、1.6mm x 1.2mm、2mm x 1.6mm、2.5mm x 2mm VFLGAプラスチック・パッケージに収められています。
特徴
- MEMSベースのクロック・ジェネレータによって、外部クリスタルまたはリファレンスクロックの必要性を排除
- 1.71V~3.63Vという広い供給電圧範囲
- 超小型パッケージ・サイズ:
- 1.6mm x 1.2mm
- 2mm x 1.6mm
- 2.5mm x 2mm
- ±20ppm、±25ppm、±50ppm高周波数安定性
- DSC612:
- 2kHz~100MHz 2つのLVCMOS出力クロック
- 5mA低消費電力
- DSC613:
- 2kHz~100MHz 3つのLVCMOS出力クロック
- 5.2mA低消費電力
- 広い温度範囲:
- 自動車: -40°C~125°C
- 外部工業: -40°C~105°C
- 工業用: -40°C~85°C
- 商用: -20°C~70°C
- 優れた衝撃と振動耐性:
- MIL-STD-883の認定済
- 高信頼性
- リードフリー、RoHS準拠
- 車載オプションAEC-Q100対応
アプリケーション
- 低消費電力/ポータブル・アプリケーション:
- IoT
- 組み込み/スマート・デバイス
- 消費者:
- ホームヘルスケア
- フィットネス機器
- ホームオートメーション
- 産業用:
- ビル/工場オートメーション
- 監視カメラ
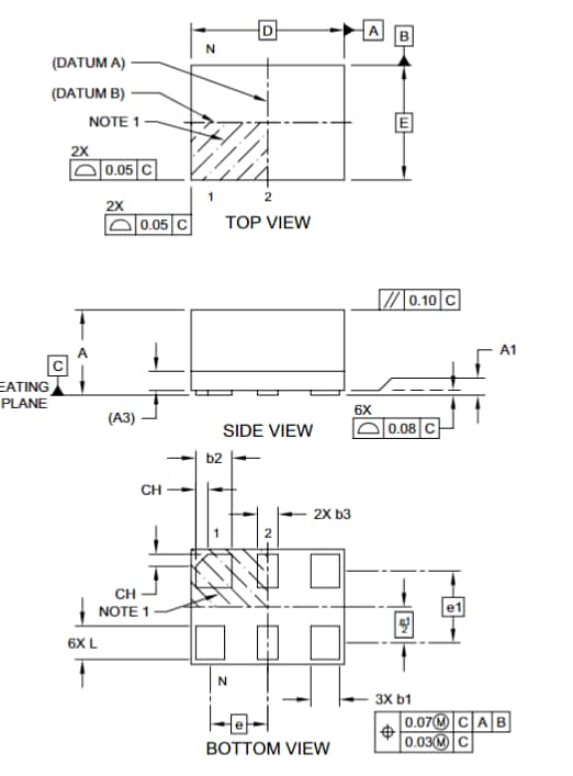
DSC61xの寸法
View Results ( 8 ) Page
| 部品番号 | データシート | 説明 | シリーズ |
|---|---|---|---|
| DSC613RI2A-012ST | ![]() |
Clock Generators & Support Products 3-Output MEMS Clock Gen, 12M, 25M, 0.032768M, -40C-85C, 25ppm, 2.5x2.0mm | DSC613 |
| DSC613PI3A-0105 | ![]() |
Clock Generators & Support Products 3-output MEMS clock generator, 1.6x1.2mm, 6-pin, 20ppm, -40 to 85C | DSC613 |
| DSC612PI2A-012Q | ![]() |
Clock Generators & Support Products 2-Output MEMS Clock Gen, 24M, 25M, -40C-85C, 25ppm, 1.6x1.2mm | DSC612 |
| DSC612RI1A-012M | ![]() |
Clock Generators & Support Products 2-Output MEMS Clock Gen, 25 , 50 , -40C-85C, 50ppm, 2.5x2.0mm | DSC612 |
| DSC613PL3A-0106 | ![]() |
Clock Generators & Support Products 3-output MEMS clock generator, 1.6x1.2mm, 6-pin, 20ppm, -40 to 105C | DSC613 |
| DSC613RA2A-0106 | ![]() |
Clock Generators & Support Products 3-output MEMS clock generator, 2.5x2.0mm, 6-pin, 25ppm, -40 to 125C | DSC613 |
| DSC613RI2A-012S | ![]() |
Clock Generators & Support Products 3-Output MEMS Clock Gen, 12M, 25M, 0.032768M, -40C-85C, 25ppm, 2.5x2.0mm | DSC613 |
| DSC613RI3A-010U | ![]() |
Clock Generators & Support Products 3-output MEMS clock generator, 2.5x2.0mm, 6-pin, 20ppm, -40 to 85C | DSC613 |
公開: 2018-12-13
| 更新済み: 2023-01-10

