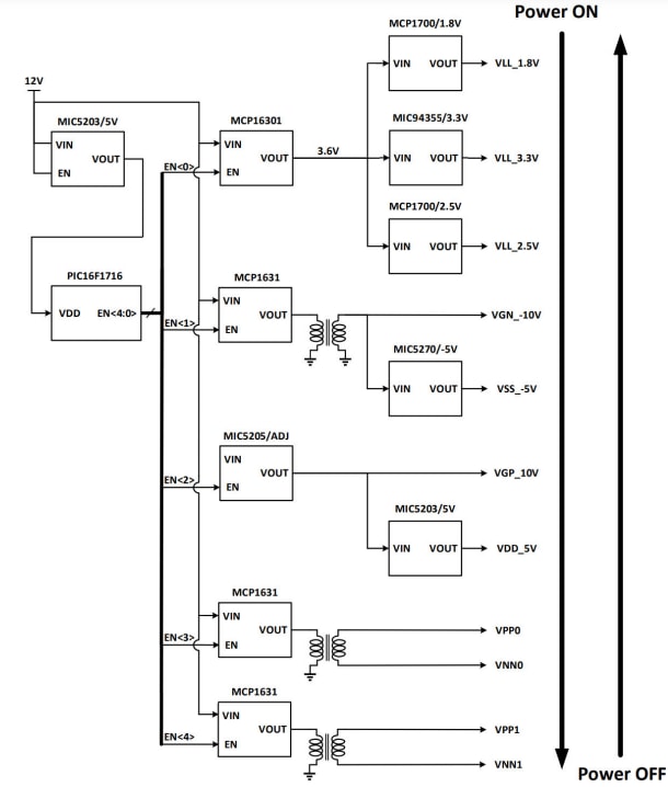
特徴
- 超音波パルサーおよびマルチプレクサの実証に必要な電圧レールをすべて搭載
- 電源シーケンシングと障害保護
- 外部同期に対応
- シングル12V入力(標準2.5mm電源ジャックとも互換性あり)
- 自動パワーアップ/ダウンシーケンシング
- VNNレールはVPPレールに対して逆極性に構成可能
- 使用可能な独立レール:
- 1.8V、2.5V、3.3V、5V、-5V、10V、-10V、VPP0、VNN0、VPP1、VNN1
- VPPレールを以下のように設定可能:
- 60V、80V、90V、または100V
- VP0、VN0、VP1、VNN1、-10V用の外部同期オプション
- 低リップルLDOによる1.8V、2.5V、3.3V、5V -5V、10Vレール供給
- 全電圧レール用のステータスLED
- VPP0、VNN0、VPP1、VNN1レールの故障監視(故障時の自動パワーダウンシーケンス付き)
ブロック図
電源ボードのリファレンスデザイン
その他のリソース
公開: 2024-09-05
| 更新済み: 2024-11-20

