Microchip Technology EV32R56A リファレンスデザイン
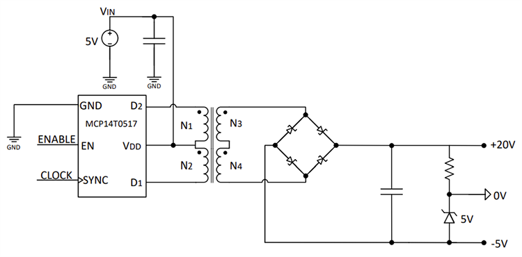
マイクロチップ (Microchip) EV32R56Aリファレンスデザインは、MCP14T0517Bプッシュプル変圧器ドライバをベースとした、炭化ケイ素(SiC)ゲートドライバ用の絶縁バイアスジェネレータです。 このドライバは、5Vの入力電圧で動作します。このボードは、0Vを基準として+20V、0Vを基準として-5Vのガルバニック絶縁された安定化バイアス電圧を供給し、最大100mAの電流を流します。マイクロチップ (Microchip)ボードは、外部制御および同期用に設定可能な ENABLE ピンを備えています。MCP14T0517A/Bドライバは、小型フォームファクタの絶縁電源アプリケーション向けに設計されており、MCP14T0517Aは150kHz、MCP14T0517Bは450kHzのスイッチング周波数で動作します。MCP14T0517A/Bを使用すると、最大1000kHzの外部クロックを適用することで、複数デバイスとの同期および高周波数での動作が可能です。特徴
- MCP14T0517Bプッシュプルトランスドライバをベースにしています
- 入力電圧:5V(VIN)
- 出力電圧
- 0Vに対する+20V
- -5Vに対する0V
- 最大100mAの出力電流(出力電圧が+25V(-5V基準)の場合)
- スイッチング周波数450kHz
- 過熱保護および過電流保護
- RoHS準拠
アプリケーション
- SiC/Si MOFSETとIGBT用の絶縁電源
- 絶縁通信インターフェース(CAN、LIN、USBなど)用バイアスジェネレータ
- 絶縁センシング回路図用バイアスジェネレータ
キット内容
- SiCゲートドライバ用リファレンス設計基板(EV32R56A)向け絶縁バイアスジェネレータ
- 入力信号用と出力信号用の3ピン2.54mmヘッダーコネクタ2個
- 重要情報シート
ブロック図
概要
公開: 2026-01-20
| 更新済み: 2026-02-02
