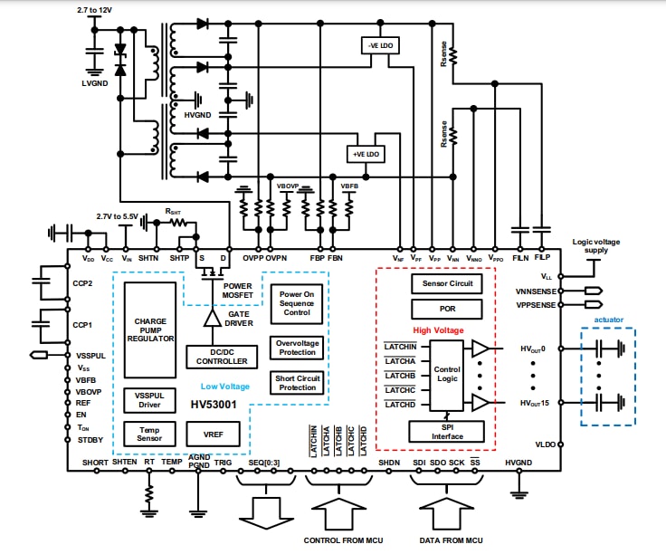
HV53001は、リターン・ツー・ゼロ(RTZ)機能で±135Vの出力スイングが可能な16のプッシュプルドライバが特徴で、各ドライバは少なくとも24mAのソースおよびシンクが可能です。各高電圧出力は、最大250pFの容量性負荷を駆動する能力があります。さらに、グローバル電流センサ機能がHV53011に統合されており、充電および放電電流を監視できます。測定された電流は、電流検出抵抗を介してスケールファクタ3.1V/Vで低電圧アナログ出力にマッピングされます。
Microchip HV53001 16チャンネルプッシュプルドライバには、SPIインターフェイスが活用されており、ホストプロセッサと高電圧ドライバの間で通信できます。このインターフェイスは、32MHzのクロック速度まで3.3VロジックI/O信号を供給します。5つのデジタルラッチ制御信号は、VPP、VNN、0V、または高インピーダンスの4つの可能な状態のいずれかに出力を確立しながら、データフローと点火パターンを管理します。
HV53001には、パワーMOSFETが搭載された統合DC/DCコントローラが搭載されています。高電圧ドライバブロックの場合、コントローラはフライバック構成に配置され、高電圧ドライバブロック用に±135Vおよび±123Vの4つの高電圧レールを生成します。±123Vレールは、±135V供給レールを基準とする2つの12Vフローティング電源から作成されます。コンバータは、2.7V〜5.5Vシングル入力電圧レールからの入力電圧を受け入れます。内蔵正の充電ポンプとシンプルな外部負の充電ポンプは、入力電源を+6.5Vおよび-6.0V電源に変換し、高電圧ドライバブロックに電力を供給します。
HV53001には、高電圧ドライバの電源投入または切断を制御するための電源シーケンス制御回路を備えた正確な電源オン/オフシーケンスがあります。このデバイスは、外部高電圧FETトランジスタと連動して使用します。
HV53001は、過電圧保護、短絡保護、温度過昇モニタ機能をはじめとする多数の安全機能で構成されています。
HV53001は、9mm x 9mm 105ボールTFBGAパッケージに格納されています。すべての高電圧I/Oは、安全性のための十分なクリアランスがあるように配列されています。
特徴
- 16チャンネルプッシュプル出力
- ゼロへのリターン(RTZ)と高インピーダンス(Hi-Z)機能
- 出力電力最高 ±135V
- ソースシンク出力電流:24mA最小
- 250pF最大出力負荷
- 電流センサー出力
- チャンネルアーキテクチャあたりのクワッドラッチ2ビットを用いたSPIインターフェイス
- パワーオンリセット機能
- DC/DCブーストコンバータ(パワーMOSFET搭載)
- 2.7V~5.5Vコンバータ入力電圧
- 短絡保護機能
- 過温度モニタ
- パワーON/OFFシーケンス制御
- シャットダウン機能
- 105ボール9mm×9mm TFBGAパッケージ
アプリケーション
- 表面触覚アプリケーション
- MEMSドライバ
- 圧電ドライバ
標準的なアプリケーション図
ブロック図

