Microchip Technology HV56022デュアル250Vハプティックドライブアンプアレイ

Microchip Technology HV56022デュアル250Vハプティックドライブアンプアレイ は、225Vでハプティック(圧電)アクチュエータを駆動するように設計されています。このアレイは、40mAの最小ソース/シンク電流で作動します。このアンプは、0.22μFの容量性負荷を駆動する225Vの正弦波波形を対象に、124Hzの-3dB帯域幅を対象に設計されています。

特徴

  • デュアル高電圧オペレーショナルアンプ
  • 最大+225V
  • 最小ピーク出力シンク/ソース電流:40mA
  • 短絡検出用の出力電圧コンパレータ
  • 0.22μF負荷で124Hz、-3dB帯域幅

アプリケーション

  • ハプティックドライバ
  • 電源アンプ

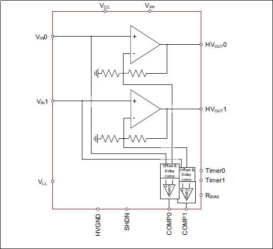
ブロック図

Microchip Technology HV56022デュアル250Vハプティックドライブアンプアレイ
公開: 2022-08-25 | 更新済み: 2022-09-12