Microchip Technology HV96001 LEDコントローラ
Microchip Technology HV96001 LEDコントローラは、PWM(デジタル)調光およびアナログ調光機能を強化した、マイクロインターフェイスのフリッカーフリーLEDコントローラです。これらのLEDドライバは、広い調光機能を必要とするOFFライン照明アプリケーション用に設計されています。HV96001 LEDコントローラは、AC-DC変換段の出力電圧を調整することにより、広いLED負荷電圧範囲で高い変換効率を維持します。これらのLEDコントローラはまた、LED電流振幅を正確に制御することが可能であり、一貫した色温度を達成するのに役立ちます。HV96001 LEDコントローラは、LED電流振幅を制御する昇圧レギュレータとフライバック出力電圧を制御するフライバック・レギュレータを含む2つのフィードバック・レギュレータを備えています。HV96001 LEDコントローラは、タイミングコンデンサを使用して設定された自動再試行遅延による故障回復と、自動再試行遅延による出力の短絡保護を提供します。これらのMicrochip Technology社製LEDコントローラは、幅広いPWM調光およびリニア調光を特徴とするオフラインLED照明アプリケーションでの使用に最適です。特徴
- 広い入力電圧範囲 8V~60V
- リニア(アナログ)調光:
- LED電流の幅広い振幅制御で
- パルス幅変調(PWM)(デジタル)調光:
- 最低0.01%およびそれ以下のDims
- 150ns未満のPWMパルス幅
- PWM調光周波数:20kHz
- フライバックコンバータ:
- 高いシステム効率を維持するための自動出力電圧調整機能付き
- 昇圧コンバータ
- ゼロに近い広い出力電圧リップルにより、リップルフリーのLED電流を実現
- 100Hz/120Hzリップル除去
- 固定スイッチング周波数:200kHz
- VDD レギュレータ
- 入力電圧60V/出力電圧5V
- 外部負荷の供給を目的とした10mAドライブ
- タイミングコンデンサを使用した自動再試行遅延セットによる障害回復
- 低電圧検出:
- VDD 電圧
- 電源電圧(フライバック出力電圧)
- 過電圧検出:
- LED負荷電圧(ブースト出力電圧)
- 過電流検出:
- 負荷スイッチ電流
- スタック・オン・ゼロ検出:
- DIM入力信号
- 自動再試行遅延をともなう出力の短絡保護
アプリケーション
- PWM調光とリニア調光のための広範な機能が搭載されているオフラインLED照明アプリケーション
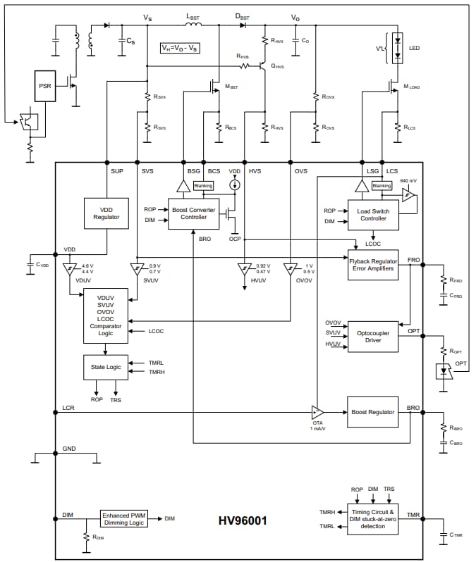
ブロック図
標準アプリケーション回路
公開: 2020-01-21
| 更新済み: 2024-07-09
