Microchip Technology LAN8830gigabit Ethernetトランシーバー(RGMII付き)
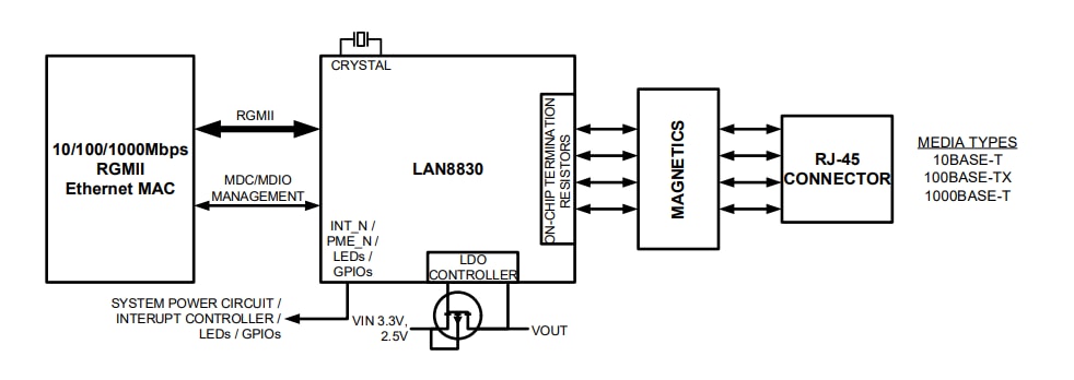
Microchip Technology LAN8830 RGMII付きギガビットイーサネットトランシーバは、標準のCAT-5、CAT-5e、CAT6非シールドツイスト・ペア(UTP)ケーブルでのデータ送受信用に設計された、3スピード(10ベースT/100ベースTX/1000ベースT)イーサネット物理層トランシーバを内蔵しています。LAN8830ethernetスイッチ、マイクロコントローラ、またはマイクロプロセッサを接続するための RGMII (Reduced Gigabit Media Independentインターフェイス) を備えています。さらに、組み込みethernetメディア アクセスコントローラ(MAC) は、1000Mbpsまたは10/100Mbpsでのデータ転送用のRGMIIIインターフェイスを提供します。Microchip LAN8830はトランシーバ、4つの差動ペア用にオンチップターミネーション抵抗器を使用することで、ボードコストを削減し、ボードレイアウトを簡素化します。また、LAN8830には、1.2Vコアに電力を供給する低コストMOSFETを駆動するのLDOコントローラが統合されています。
このデバイスは診断機能を実現しており、生産試験と組立製品展開におけるシステムの立ち上げとデバッギングを実装できます。パラメトリックNANDツリーサポートを使用すると、LAN8830 I/Oとボードの間の障害検出が可能になります。LinkMD® TDRベースのケーブル診断によって、障害のある銅ケーブル配線を識別します。リモートおよびローカルループバック機能によって、アナログおよびデジタルデータパスを検証します。
LAN8830は、RoHSに準拠した48ピン・QFN パッケージアセンブリで設計されています。
特徴
- IEEE802.3アプリケーションに適したシングルチップ10/100/1000Mbpsethernetトランシーバー
- RGMII (3.3V/2.5V/1.8VトレラントI/O搭載)
- RGMIIはタイミング、RGMIIバージョン2.0に準じたオンチップ遅延をサポートしており、外部遅延のためのプログラミングオプションが備わっていて、TXおよびRXのタイミングパスの調整/修正を行うことができます。
- リンクアップ速度(10/100/1000Mbps)とデュプレックス(ハーフ/フル)を自動的に選択するオートネゴシエーションを採用
- 差動ペア用オンチップターミネーション抵抗器
- 単一3.3V電源動作をサポートするオンチップLDOコントローラ–コアで1.1Vを生成するために必要な外部FET は1 つだけです
- 16KBまでのジャンボフレームをサポート
- 125MHzリファレンス・クロック出力
- ケーブルが接続されていない場合の消費電力エネルギーの節約を目的としたエネルギー検出パワーダウンモード
- 低電力エネルギー(LPI)モードと100BASE-TX/1000BASE-Tのクロック停止によるエネルギー効率の良いethernet(EEE) のサポートと、10BASE-Teオプションによる送信振幅の低減
- 堅牢なカスタムパケット検出によるWake-on-LAN (WOL) サポート
- 信号品質表示
- リンク、アクティビティ、速度用のプログラマブルLED出力
- LinkMD® TDRベースのケーブル診断により、障害のある銅ケーブル配線を識別
- チップI/O とボード間の障害を検出するためのパラメトリック NAND ツリーのサポート
- 診断用ループモード
- すべての動作速度でペアスワップを検出および修正する自動 MDI/MDI-Xクロスオーバー
- ペアスワップ、ペアスキュー、極性ペアスキューの自動接着検出と補正
- PHYレジスタ 構成用のMDC/MDIO管理インターフェイス
- 割り込み込みピンオプション
- パワーダウンおよび省電力モード
- 動作電圧
- 1.1V(外部FETまたはレギュレータ) コア(VDD、VDDAL、VDDAL_PLL)
- 3.3V、2.5V、または1.8V VDD I/O(VDDIO)
- 3.3Vまたは2.5Vトランシーバ(VDDAH)
- 商業用 (0°C~+70°C) および拡張産業用 (-40°C~+105°C) の温度範囲で利用可能です。
- 48ピンVQFN (7mm×7mm)パッケージ
アプリケーション
- 産業用制御装置
- レーザー/ネットワークプリンタ
- NAS ネットワークアタッチトストレージ
- ネットワークサーバ
- マザーボード側のギガビットLAN (GLOM)
- ブロードバンドゲートウェイ
- ギガビットSOHO/SMBルーター
- IPTV
- IPセットトップボックス
- ゲームコンソール
- トリプルプレイ(データ、音声、高速ビデオ) メディアセンター
システムブロック図
公開: 2022-11-15
| 更新済み: 2023-05-08
