Microchip Technology MCP1665 PFM/PWM昇圧型コンバータ
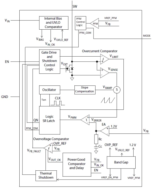
Microchip MCP1665 PFM/PWM昇圧型コンバータは、バッテリ駆動アプリケーション向けにスペース効率に優れた高電圧昇圧型電源ソリューションを提供するために設計されました。MCP1665コンバータは、36V、100mΩ内蔵スイッチ、制御起動時電圧、内部補償、調整式出力電圧、パルス周波数変調/パルス幅変調(PFM/PWM)モードが特徴です。コンバータの低電圧ロックアウト(UVLO)機能は、電池駆動アプリケーションの低入力または放電されたバッテリでのスタートアップおよび動作を防止します。一般的な3.6Aサイクルバイサイクル・インダクタのピーク電流制限動作によって、統合スイッチを保護します。力過電圧保護およびオープン負荷保護は、帰還レジスタが誤って切断された場合に帰還ピンを短絡してスイッチングをオフにします。MCP1665コンバータを使用すると、クラシックなブースト、シングルエンド一次インダクタンス・コンバータ(SEPIC)またはフライバックコンバータを、小型PCB領域に作成できます。MCP1665コンバータは、ポータブルアプリケーション、カメラ電話のフラッシュ、5V、12Vまたは24Vのシングルセルリチウムイオン、フラッシュライト、照明アプリケーションのLCDバイアス電源に適しています。The Microchip Technology MCP1665 PFM/PWM Step-up Converter is housed in a compact 2mm x 2mm VQFN-10 package, ideal for space-constrained applications.
特徴
- 36V, 100mΩ integrated switch
- Up to 92% efficiency
- Up to 32V output voltage range
- 2.9V to 5V input voltage range
- 1.2VFB feedback voltage reference
- Inrush current limiting and internal soft-start
- Cycle-by-cycle current limiting
- Internal compensation
- Output Overvoltage Protection (OVP) and Open-Load Protection (OLP) for constant current configuration
- Thermal shutdown
- Easily configurable for Single-Ended Primary-Inductor Converter (SEPIC) or flyback topologies
アプリケーション
- Three-cell alkaline, lithium, and NiMH/NiCd portable products
- Single-cell Li-ion to 5V, 12V, or 24V converters
- LCD bias supply for portable applications
- Camera phone flash
- Flashlight
- Battery-powered LEDs
- Lighting applications
- Portable medical equipment
- Hand-held instruments
Block Diagram
公開: 2017-12-15
| 更新済み: 2022-04-11
