Microchip Technology MCP19114/MCP19115同期ローサイドPWMコントローラー
マイクロチップMCP19114/MCP19115同期ローサイドPWMコントローラーは、8ビットPIC™マイクロコントローラーを内蔵した中電圧(4.5~42V)アナログベースのデバイスです。このマイクロチップ製品ファミリは、高速なアナログ ソリューション(高効率および高速過渡応答)と、デジタル ソリューションの設定機能と通信インターフェイスを組み合わせたものです。これらのタイプのソリューションを組み合わせることで、それぞれの技術の強みを最大限に生かした新しいデバイス ファミリが構築され、よりコスト効率に優れた、より設定の容易な、より高性能の電力変換ソリューションが得られます。特徴
- Wide Operating Voltage Range: 4.5-42V
- Analog Peak-Current Mode Pulse-Width Modulation (PWM) Control
- Integrated 8-Bit PIC® Microcontroller
- Significant Configurability: Adjustable Output Voltage, Switching Frequency, MOSFET Deadtime, I2C Communication Interface
- Integrated, Synchronous Low-Side MOSFET Drivers
- Minimal External Components Needed
- Custom Algorithm Support
- Topologies Supported: Boost, SEPIC, Flyback, and Cuk
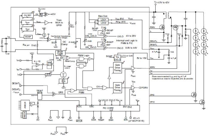
Block Diagram
公開: 2014-06-04
| 更新済み: 2022-03-11
