Microchip Technology MCP1912x PWMコントローラ
Microchip MCP1912x PWMコントローラは、高度に統合された混合信号ローサイド同期コントローラで、4.5V~42Vで動作します。これらのコントローラを使用すると、最小限の外部コンポーネントを用いてターゲットアプリケーションに完璧に設定できる柔軟性に富んだ電源の開発が可能になります。MCP1912xコントローラは、独自の制御ループアーキテクチャを使用することで、定電流から定電圧動作へのスムーズでダイナミックな移行を実現しています。これらのコントローラには、フィードバックネットワークとリファレンスをそれぞれ個別に設定できる独立した2つの外部制御ループが搭載されています。MCP1912xコントローラは、バッテリ充電アプリケーション、LED照明システム、ローサイドスイッチPWMコントローラに最適です。The Microchip Technology MCP19124 is available in 4mm x 4mm QFN-24 and 5mm x 5mm QFN-28 packages. The MCP19125 is packaged in a 5mm x 5mm QFN-24.
特徴
- Smooth, dynamic transitions from constant-current to constant-voltage operation using the unique control loop architecture
- Dynamically adjustable output current and output voltage over a wide operating range
- Wide 4.5V to 42.0V operating voltage range
- Analog peak-current mode Pulse-Width Modulation (PWM) control
- Integrated 8-Bit PIC® Microcontroller
- Significant configurability: adjustable output voltage, output current, MOSFET deadtime, leading-edge blanking time, thermal responses, slope compensation, over-current protection, over and under-voltage lockout levels
- I2C communication interface
- Available fixed frequency or quasi-resonant operation, adjustable 31kHz to 2MHz
- 13 GPIO
- Integrated synchronous low-side MOSFET drivers
- Integrated high voltage linear regulator, with external output
- Integrated temperatures sense diode
- Integrated 10-bit ADC
- Minimal external components needed
- Custom algorithm support
- Topologies supported include Boost, SEPIC, Flyback, and Cuk
- Package options
- MCP19124: QFN-24, QFN-28
- MCP19125: QFN-24.
アプリケーション
- Battery chargers
- LED lighting systems
- Low-side switch PWM controllers
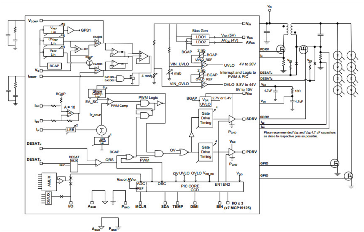
MCP1912x PWMコントローラのブロック図
公開: 2017-11-21
| 更新済み: 2022-04-05
