Microchip Technology MCP19215デュアルブースト/SEPIC評価ボード
Microchip Technology MCP19215デュアル・ブースト/SEPIC評価ボードは、デュアル・チャンネルコントローラ・ボードで、MCP19215 PWMコントローラを評価します。この評価ボードは、ブーストおよびSEPICトポロジ時のMCP19215の機能を、広い負荷範囲および入力電圧にわたって実証します。ほぼすべての動作および制御システムパラメータのプログラミングは、オンボードPICコントローラから管理できます。MCP19215ボードは、300kHzのスイッチング周波数、I2C通信によるステータスレポート、8V~15Vの入力電圧範囲が特徴です。この評価ボードには、両チャンネルで20Vのデフォルト出力電圧、0.2Aのデフォルト出力電流が備わっています。MCP19215ボード・キットには、USB A to mini-USB Type-Bケーブルが含まれています。The Microchip Technology MCP19215 Evaluation Board (ADM00799) demonstrates the function of the MCP19215 during Boost and SEPIC topologies over a wide load range and input voltage. Almost all programming of the operational and control system parameters can be managed through the onboard PIC controller. The MCP19215 Evaluation Board features a 300kHz switching frequency, a status report via I2C communication, and an 8V to 15V input voltage range. This Evaluation Board comes with a default output voltage of 20V for both channels and a default output current of 0.2A. The MCP19215 Evaluation Board includes a USB A to mini-USB type B cable.
特徴
- 入力電圧範囲: 8V~5V
- 両チャンネルで20Vの出力電圧
- 出力電流: 1A(最大)
- スイッチング周波数: 300kHz
- オンボード高性能パワーMOSFETトランジスタ
- 過電流および過電圧保護
- I2C通信を使用したステータス・レポート
- プログラマブル閾値(ソフトウェア経由)による低電圧ロックアウト(UVLO)
Board Layout
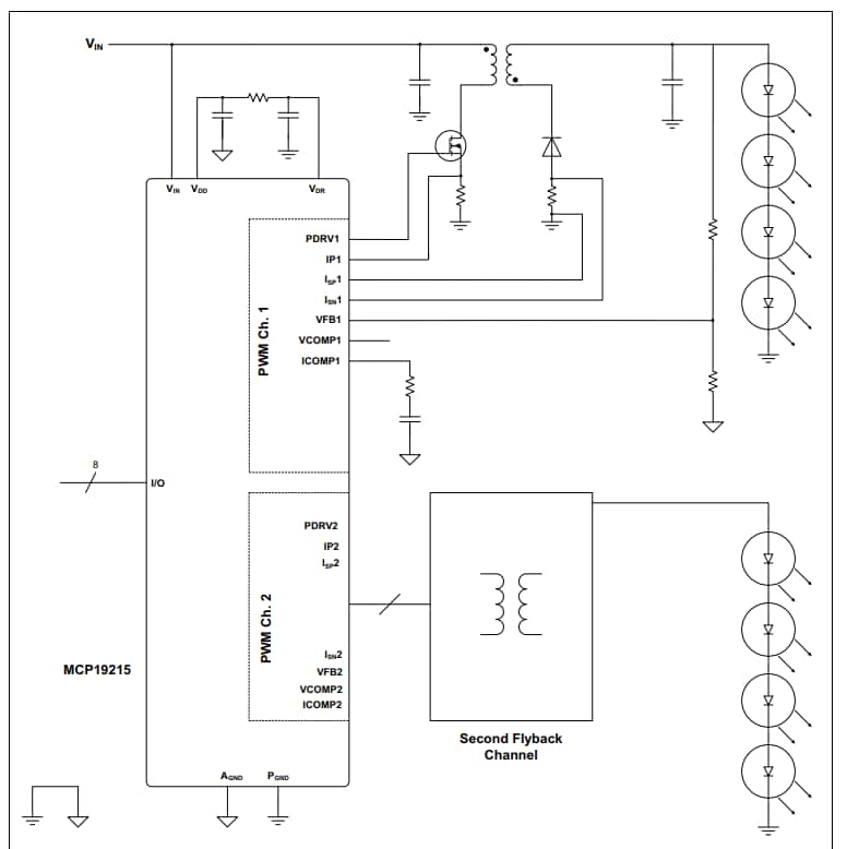
MCP19215ボードの一般的なアプリケーション回路
公開: 2017-06-09
| 更新済み: 2022-03-11
