Microchip Technology MIC21LV32 & MIC21LV33高度COT PWMコントローラ
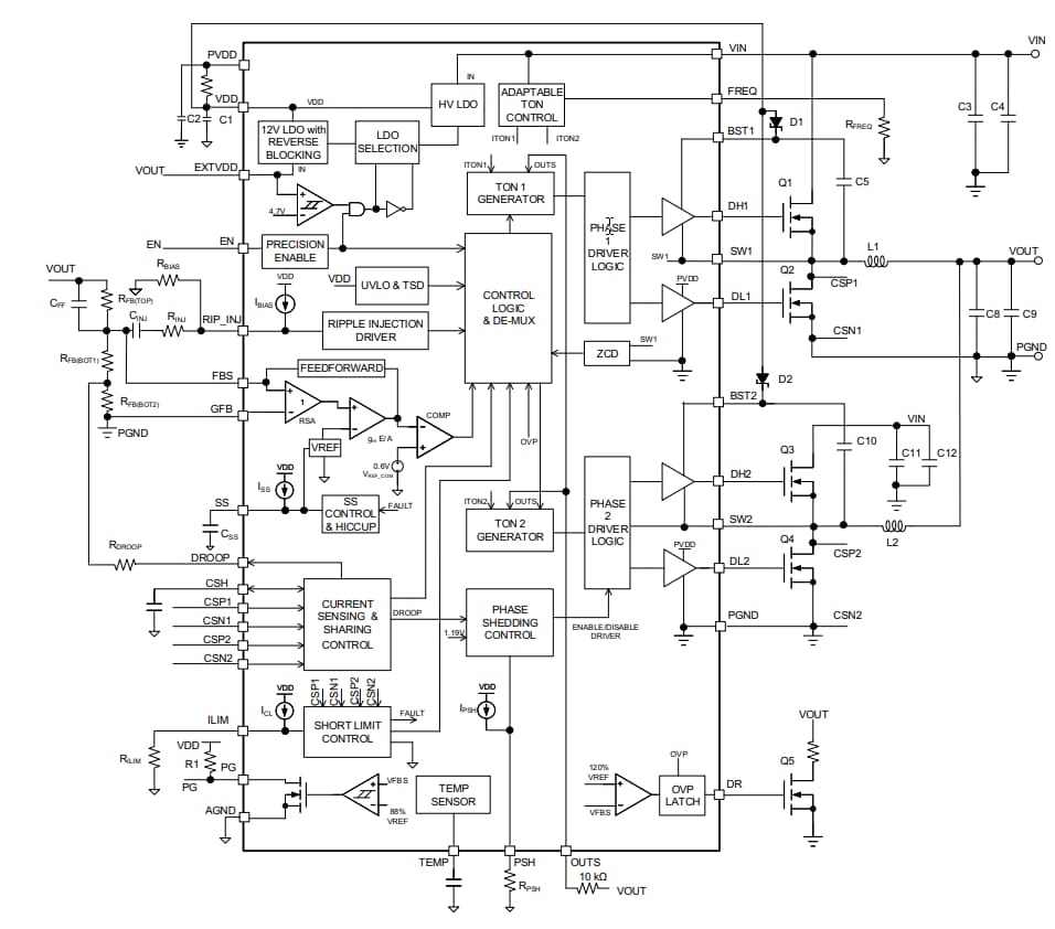
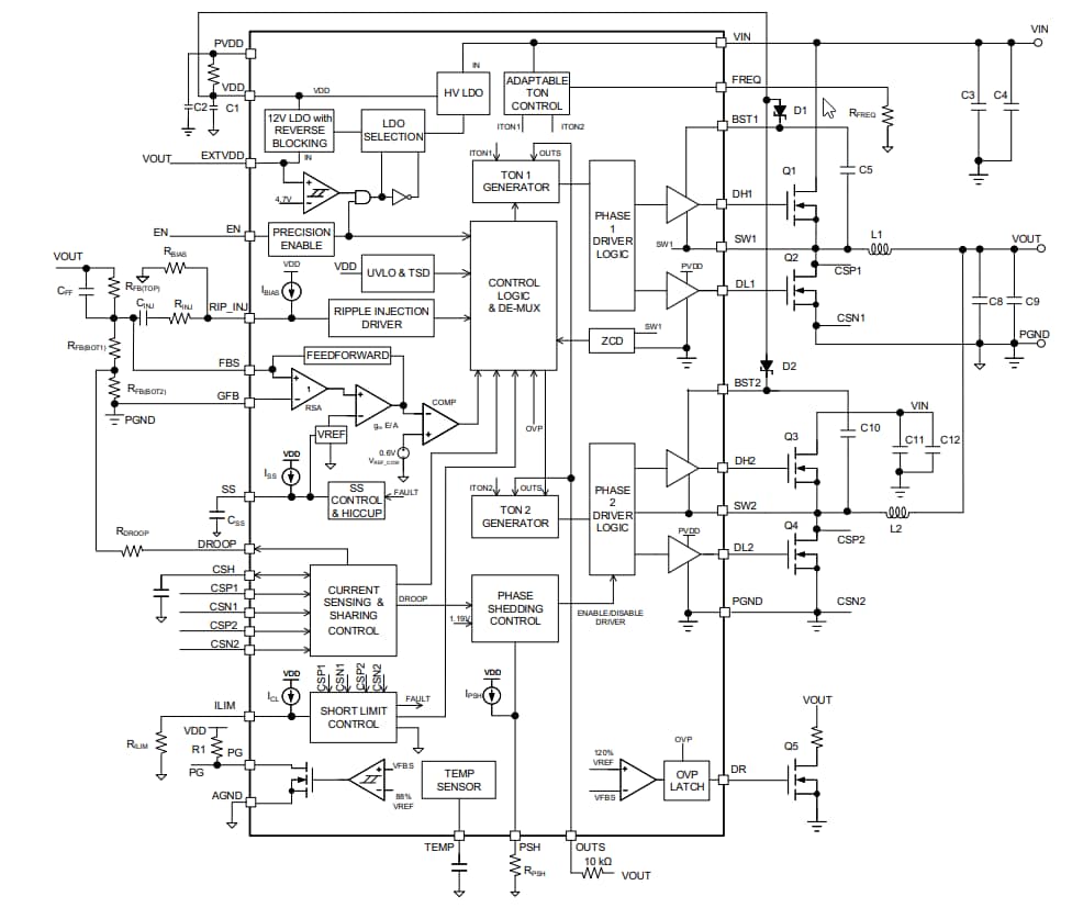
Microchip Technology MIC21LV32およびMIC21LV33 36Vデュアルフェーズ高度COT PWMコントローラは、独自の適応型ON時間制御アーキテクチャを実現しています。MIC21LV33コントローラには、Hyperlight Load®およびフェーズシェディング機能が搭載されています。他方でMIC21LV32には、最大8フェーズまで同時に使用できるという特徴があります。Hyper Speed Control®アーキテクチャは、中~重負荷の下での超高速過渡応答をサポートしています。ソフト起動は、コンデンサを使用して外部でプログラミングすることもできるため、重負荷への安全な起動が可能になります。Microchip MIC21LV32およびMIC21LV33は、4.5V~36Vの入力供給範囲で動作し、50Aまでの出力電流の供給に使用できます。5V供給の外部VDDを使用すると最低2Vまで入力電圧を下げることができる場合があります。デバイスの出力電圧は、動作温度全域で±1%の精度保証で最低0.6Vまで調整できます。
MIC21LV32およびMIC21LV33コントローラは、32ピン5mm x 5mm VQFNパッケージ(接合部動作温度範囲-40°C~+125°C)でご用意があります。
特徴
- 4.5V~36V入力電圧範囲
- 外部電源からVDD = 5Vの場合に最低2Vまでの入力
- 0.6V~28Vの間で調整できる出力電圧
- 調整式定ON時間制御:
- 高DeltaV動作
- 任意のCapacitor™安定性
- 0.6V内部リファレンス(精度±1%)
- リファレンス精度±0.5%(-40°C~105°C)
- 50%以上のデューティサイクル動作を実現できる斬新なリップル注入方式
- CCMで動作し、最大8フェーズまでのマルチフェーズ動作との併用が可能(MIC21LV32)
- HyperLight Load®および自動フェーズシェディング(MIC21LV33)
- 外付けMCUとのインターフェイス接続に対応(MIC21LV33)
- フェーズ間の正確な電流バランシング
- 正確な180°フェーズの出力
- 1フェーズあたり100kHz~1MHzスイッチング周波数
- 単電源動作時の高電圧内部5V LDO(MIC21LV33)
- システム効率を向上するための二次LDO
- プリバイアス出力に対する起動をサポート
- 厳格な出力安定化を図るリモートセンスアンプ
- 負荷過渡応答の改善を目的とした適応型電圧ポジショニング(AVP)をサポートするドループ機能
- 待機電流を小さく抑える精密応答時間機能
- 突入電流を低減するための外部プログラマブルソフト起動
- NTC温度補償または抵抗器センシング方式を活用したロスレスRDSON電流センシング
- プログラマブル電流制限とヒカップモードの短絡保護
- ヒステリシスを備えたサーマルシャットダウン
- -40°C~+125°C接合部温度範囲
- コンパクトサイズ5mm x 5mm 32ピンVQFNパッケージ
アプリケーション
- 分散電源システム
- 通信/ネットワーキングインフラ
- プリンタ、スキャナ、グラフィックカード、ビデオカード
- FPGA、CPU、MEM、GPUコア電源
公開: 2021-04-28
| 更新済み: 2022-04-20
