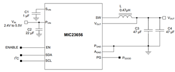
Microchip Technology MIC23350/23356/23656降圧型レギュレータ
Microchip Technology MIC23350/23356/23656降圧型レギュレータは、HyperLight Load™が搭載された同期レギュレータで、軽負荷時にも高い効率性を発揮します。MIC23350レギュレータには、VSEL(電圧選択)スリーステートピン2本が採用されており、9種類の組み合わせが可能な出力電圧の設定を目的としています。これらのレギュレータは、熱効率に優れた16ピン、2.5mm x 2.5mm x 0.5mmの薄型MLFパッケージに収められています。MIC23350/23356/23656レギュレータは、2.4V~5.5Vの入力電圧範囲および低シャットダウンと自己消費電流が特徴で、単一セル、リチウムイオン、バッテリ駆動アプリケーションに最適です。特徴
- MIC23350:
- 3A連続電流
- 小型
- VSELスリーステート・ピン2本を使用した出力プログラマブル
- 入力電圧範囲: 2.4V~5.5V
- オープンドレイン・パワーグッド(PG)出力
- MIC23356:
- 3A連続電流
- I2Cプログラマブル
- HLLを使用した定オン時間(COT)制御アーキテクチャ
- 入力電圧範囲: 2.4V~5.5V
- オープンドレイン・パワーグッド(PG)出力
- MIC23656:
- 6A出力電流(パルス)
- I2Cからの複数のエラー表示
- 高速過渡応答
- プリバイアス出力での安全な起動
- ラッチオフ・サーマル・シャットダウン保護
- ラッチオフ電流制限保護
- パワー・グッド・オープンドレイン出力
アプリケーション
- ソリッドステートドライブ (SSD)
- FPGA、DSP、低電圧ASIC電力
公開: 2019-01-22
| 更新済み: 2023-05-09
