Microchip Technology MIC28514T-E/PHA電圧レギュレータ
Microchip MIC28514T-E/PHA電圧レギュレータは、適応型オンタイム同期DC/DCバックレギュレータで、外部ソフトスタート機能が搭載されています。MIC28514Tは、4.5V~75Vの入力電圧供給範囲から最大5Aの出力電流を供給する能力があります。MIC28514Tレギュレータは、-40ºC~125ºCの温度範囲、および270kHz~800kHzのスイッチング周波数範囲で動作します。MIC28514Tレギュレータには、出力容量を低減しながら超高速過渡応答が可能になる、ハイパースピード制御アーキテクチャが組み込まれています。この適応型オンタイム制御アーキテクチャには、固定周波数動作と高速過渡応答の利点が、単体デバイスに組み込まれています。The Microchip Technology MIC28514 Voltage Regulator is available in a 38-pin 6mm x 6mm PQFN pacakge with a -40°C to +125°C operating range.
特徴
- ハイパースピード制御アーキテクチャで実現できること:
- 高入力から出力電圧変換比機能(VIN=75VおよびVOUT=0.6V)
- 小出力容量
- 0.6V~32Vで調整可能電圧レギュレータ
- ゼロESRから高ESR出力コンデンサ
- 内部補償
- 単電源動作用の内蔵5Vレギュレータ
- システム効率の改善を目的とした補助ボートストラップLDO
- 内部ブートストラップダイオード
- 調節可能ソフトスタート時間
- プログラマブル電流制限
- ヒカップモード短絡保護
- サーマルシャットダウン
- プリバイアス出力への安全な起動に対応
- 32ピン、6mm x 6mm VQFNパッケージでご用意あり
アプリケーション
- 分散型電源システム
- 通信/ネットワーキングインフラ
- 工業用電源
- ソーラーエネルギー
Typical Application Circuit
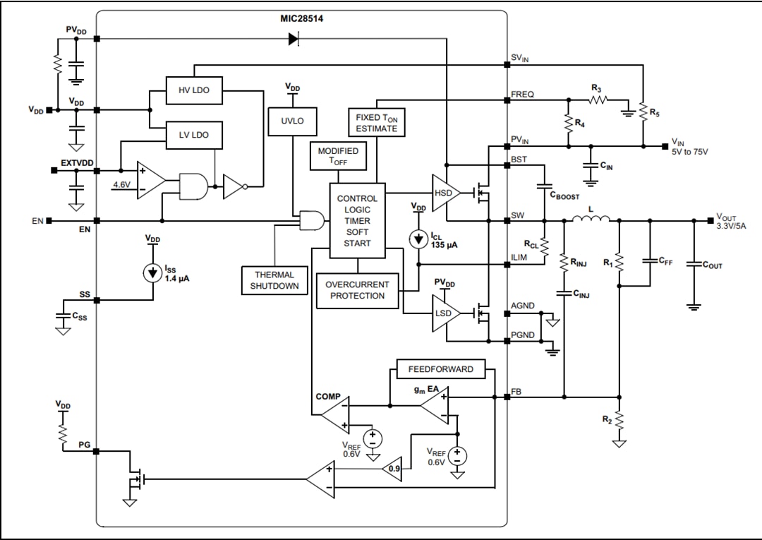
Block Diagram
公開: 2017-05-29
| 更新済み: 2022-03-11
