The Microchip Technology PIC18F MCUs are available in SOIC-28, PDIP-40, and TQP-44 package options for design flexibility.
特徴
- Cコンパイラ最適化RISCアーキテクチャ
- わずか83件のインストラクション
- 動作速度:
- DC 64MHzクロック入力
- 62.5nsの最小インストラクションサイクル
- プログラマブル2レベル割込の優先順位
- 31レベルのディープハードウェアスタック
- ハードウェアリミットタイマー(HLT)を備えた3個の8ビットタイマ(TMR2/4/6)
- 4個の16ビットタイマ(TMR0/1/3/5)
- 低電流パワーオンリセット(POR)
- パワーアップタイマ(PART)
- ブラウンアウトリセット(BOR)
- 低消費電力BOR(LPBOR)オプション
- プログラマブル・コード保護
- ウィンドウモード対応ウォッチドッグタイマー(WWDT):
- オーバーフローとアンダーフローイベントの監視タイマー
- 可変プリスケーラ選択
- 可変ウィンドウサイズ選択
- ハードウェアまたはソフトウェアで全てのソースを構成可能
ビデオ
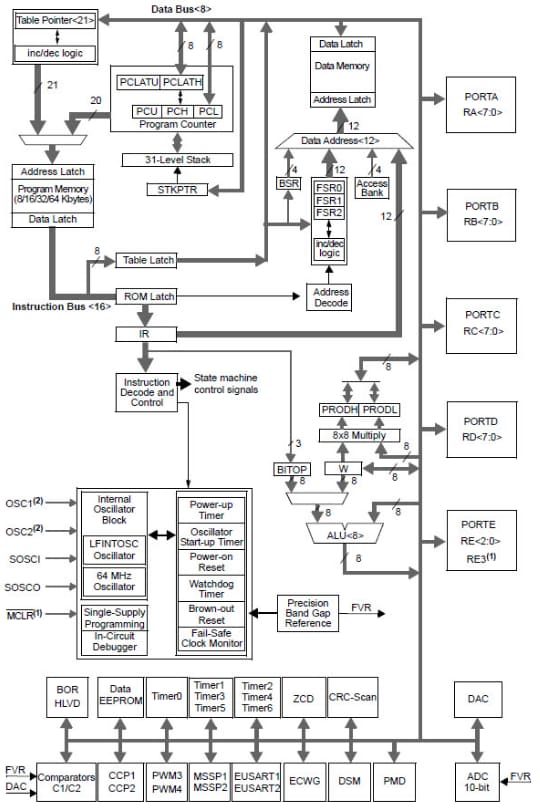
ブロック図
公開: 2017-03-01
| 更新済み: 2022-03-11

