Microchip Technology PIC18FxQ10高性能MCU
Microchip Technology PIC18FxQ10高性能MCUは、アナログ、コア独立、通信周辺機器を用いて設計されており、さまざまな低消費電力・汎用アプリケーションを対象としています。これらのPIC18FxQ10 MCUは、10ビットADCが特徴で、高度タッチ・センシングおよびオーバー・サンプリングのための容量性電圧分割器(CVD)技術の自動化、平均化、フィルタ処理、計算(ADC2)機能が備わっています。さまざまなコア独立周辺機器には、ウインドウ・ウォッチドッグ・タイマ(WWDT)、相補波形ジェネレータ(CWG)、ゼロクロス検出(ZCD)、周辺ピン選択(PPS)があります。PIC18FxQ10 MCUは、パワーオンリセット(POR)ブラウンアウト・リセット(BOR)、低消費電力ブラウンアウト・リセット(LPBOR)、スタック・オーバーフロー、またはスタック・アンダーフローを使用して簡単にリセットできます。これらのPIC18FxQ10 MCUは、ピン2本からIn-Circuit Serial Programming™を実現でき、ピン2本からブレークポイント3つによるインサーキット・デバッグ(ICD)を実現できます。WWDTは、タイムアウト期間中に特定のウィンドウ内で実行された場合に限って、予期しないイベントからシステムを回復させるCLRWDT命令を受け入れます。この発振器モジュールにはフェイルセーフ・クロック・モニタ(FSCM)が備わっており、複数セクション機能とクロック・ソースがあり、電力消費を最小限に抑え性能を最大限に高めることに役立ちます。
特徴
- Cコンパイラ最適化RISCアーキテクチャ
- 16ビット・タイマ4個
- 小電流パワーオンリセット(POR)
- パワーアップタイマ(PART)
- ブラウンアウトリセット(BOR)
- 低消費電力BOR(LPBOR)オプション
- ウィンドウモード対応ウォッチドッグタイマ(WWDT)
- PIC18F24/45/25Q10:
- 最大32KBのプログラム・フラッシュ・メモリ
- 最大2048BのデータSRAMメモリ
- 256BのデータEEPROM
- PIC18F26/46Q10:
- 最大64KBプログラム・フラッシュメモリ
- 最大3615BのデータSRAMメモリ
- 最大1024BのデータEEPROM
- 動作電圧範囲: 1.8V~5.5V
- 高精度内部発振器ブロック(HFINTOSC)
- 32kHz低消費電力内部発振器(LFINTOSC)
- 32kHz外部クリスタル発振器
- フェイルセーフクロックモニタ(FSCM)
- アナログ周辺機器:
- 計算機能搭載10ビットADC(ADC2)
- ハードウェア容量性電圧分割器(CVD)
- ゼロクロス検出(ZCD)
- 5ビット・デジタル・アナログ・コンバータ(DAC)
- コンパレータ(CMP)2台
- 固定電圧リファレンス(FVR)モジュール
- デジタル周辺機器:
- 相補波形ジェネレータ(CWG)
- キャプチャ/コンペア/ PWM(CCP)モジュール
- 10ビット・パルス幅変調器(PWM)
- メモリ・スキャン機能搭載プログラマブルCRC
- ペリフェラルピン選択(PPS)
- データ信号モジュレータ(DSM)
MPLAB® XpressクラウドベースIDE
MPLAB® XpressクラウドベースIDEは、受賞歴がある当社のMPLAB X IDEの人気が高い機能の大半が搭載されているオンライン開発環境です。この簡素化されて純化されたアプリケーションは、ユーザーによりる2つの環境間の容易な移行が可能になる、当社のデスクトップベースのプログラムの忠実な再現です。
MPLAB XPressは、PIC®マイクロコントローラ(MCU)の新しいユーザにとって完璧な出発点であり、ダウンロードやマシン構成が不要で、システム開発を開始する待機が発生しません。
ビデオ
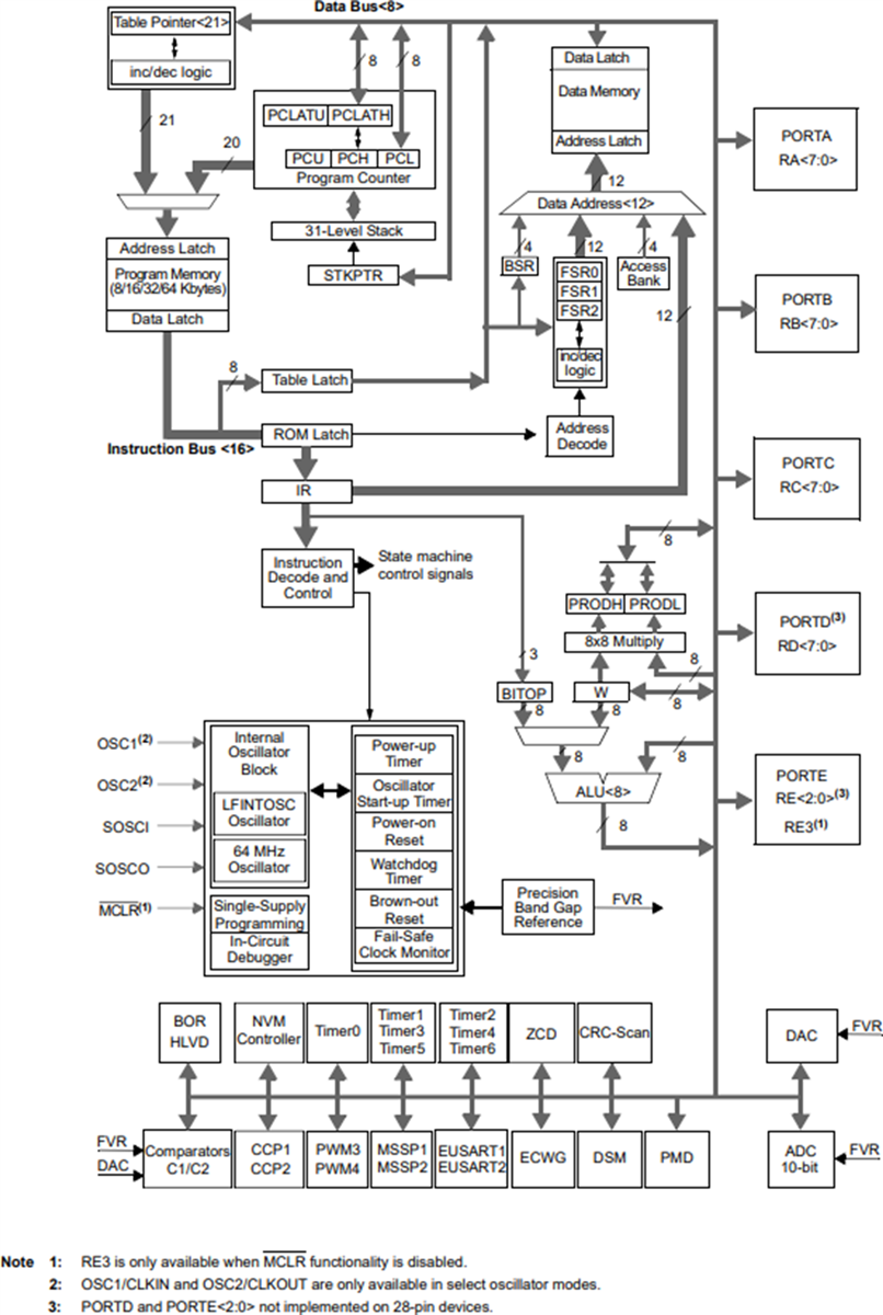
PIC18FxQ10 MCUのブロック図
公開: 2018-08-20
| 更新済み: 2025-06-13
