Microchip PIC18Fx K40高性能マイクロコントローラ

Microchip PIC18Fx K40
高性能マイクロコントローラ

Microchip PIC18Fx K40高性能マイクロコントローラには、大型フラッシュ/EE/RAMメモリ、豊富な周辺機器統合、XLP、5Vサポートが組み合わされており、さまざまな汎用アプリケーション用です。 これらの28/40/44ピンデバイスは、CWG、WWDT、CRC/メモリスキャン、ハードウェアCVD、ゼロクロス検出および周辺ピン選択のような、コア独立周辺機器を提供します。 これによって、低システムコストと設計の柔軟性が向上しています。

特徴
  • Cコンパイラ最適化RISCアーキテクチャ
  • わずか83件のインストラクション
  • 動作速度:
  • DC – 64MHzクロック入力
  • 62.5nsの最小インストラクションサイクル
  • プログラマブル2レベル割込の優先順位
  • 31レベルのディープハードウェアスタック
  • ハードウェアリミットタイマー(HLT)を備えた3個の8ビットタイマ(TMR2/4/6)
  • 4個の16ビットタイマ(TMR0/1/3/5)
  • 低電流パワーオンリセット(POR)

  • パワーアップタイマ(PART)
  • ブラウンアウトリセット(BOR)
  • 低消費電力BOR(LPBOR)オプション
  • プログラム可能なコード保護
  • ウィンドウモード対応ウォッチドッグタイマー(WWDT):
  • オーバーフローとアンダーフローイベントの監視タイマ
  • 可変プリスケーラ選択
  • 可変ウィンドウサイズ選択
  • ハードウェアまたはソフトウェアで全てのソースを構成可能
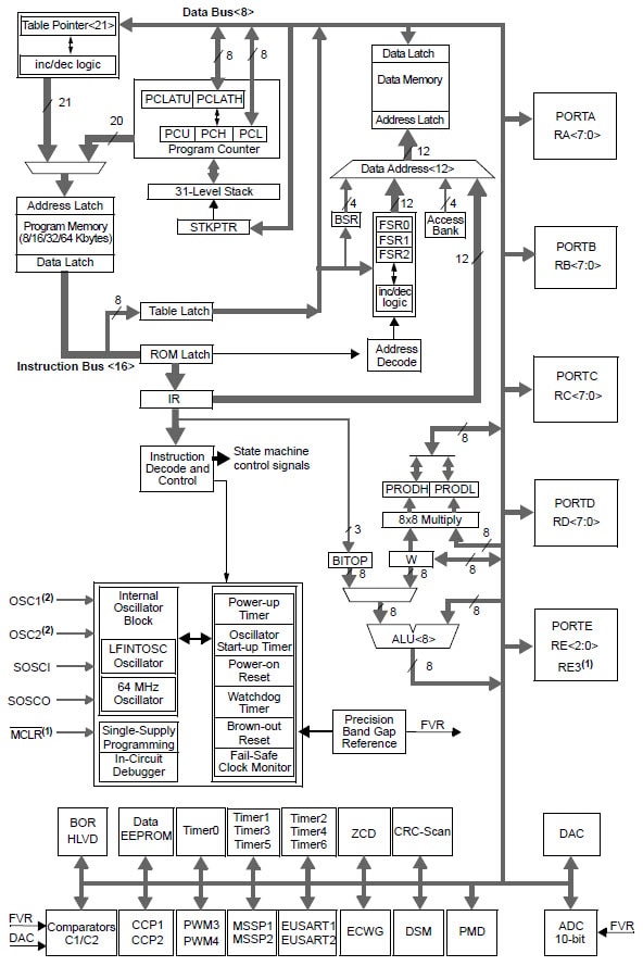
ブロック図
ブロック図
eNews
  • Microchip Technology
公開: 2017-03-06 | 更新済み: 2017-03-06