Microchip Technology PIC32CZ CA80/CA90 マイクロコントローラー
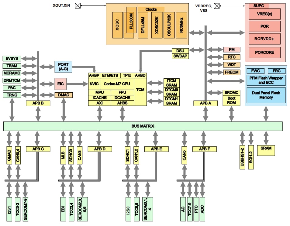
Microchip TechnologyのPIC32CZ CA80/CA90マイクロコントローラは、Arm Cortex ®-M7プロセッサを基にした32ビット高性能MCUです。これらのMCUは、最大8MBのフラッシュと1MBのSRAMを提供します。CA80/CA90マイクロコントローラは、高速USB、CAN FD、SQI、SDHC、I2S™、Media LB™バス、EBI、およびSERCOMを含む幅広い接続オプションを提供します。これらのMCUは、メモリ保護ユニット(MPU)、フェイルセーフ内部RC発振器を活用したクロック障害検出、一部の周辺機器での書込保護が特徴です。PIC32CZ CA80/CA90 MCUは、100ピン、144ピン、176ピン、208ピンTQFPおよびBGAパッケージでご用意があります。PIC32CZ CA90 MCUは、組み込みハードウェアセキュリティモジュール(HSM)が特徴で、安全なアプリケーションの開発を目的としています。HSMは、セキュアブート、TLS、暗号化/復号化といったセキュリティ機能の実装を目的に、すべての暗号ハードウェアアクセラレーション、キーストレージ、TRNGを実現しています。PIC32CZ CA80 MCUは、産業用ゲートウェイ、グラフィックス、車載アプリケーションといった機能とアプリケーションを実装するように設計されています。
特徴
- コネクティビティ:
- USART、I2C、SPI、LINを含む最大10個のSERCOMインターフェイス
- 時分割多重化(TDM)をサポートする最大2つのI2Sモジュール
- 最大2つのシリアルクワッドインターフェイス(SQI)
- 専用ダイレクトメモリアクセス(DMA)が備わった最大6つのCAN FDポート
- 1つのMediaLB® コントローラ
- 最大2個の高速USB 2.0ポート
- 専用DMA、IEEE® 1,588、イーサネットオーディオ/ビデオブリッジ(AVB)サポートを備えた10/100/1000イーサネット
- 機能安全:
- フラッシュおよびすべてのSRAMでの障害注入が備わったECC
- グローバルmBIST
- メモリー保護ユニット(MPU)
- 一部の周辺機器での書き込み保護
- フェイルセーフ内部RC発振器を活用したクロック障害検出
- 通信インターフェイスのルックバック
- PIC32CZ CA90マイクロコントローラに搭載されているHSMは、以下の特長を提供します:
- 最大4096ビットのキー長さを備えたRSA、DSA、ECC公開キー暗号化
- AES暗号化は、NIST FIPS 197ビットおよび256ビットのキー長に完全準拠
- MD-5、SHA-1、SHA-256、SHA-224、、SHA-384、SHA-512 SHA3機能が搭載されたハッシュ/MAC
- 真の乱数発生器(TRNG)
- セキュアキーストレージ
- 工場プロビジョニング
仕様
- 動作条件:
- VDDREG :1.75V~1.85V、-40°C~85°C、DC~300MHz
- VDDIO/AVDD :1.75V〜3.63V、-40°C〜85°C、DC〜300MHz
- 300 MHz Arm Cortex ®-M7
- スーパースケーラ・パイプライン(分岐予測付き6段)
- L1キャッシュ(各16KB ECC保護命令とデータキャッシュ)
- 最大256Kbの密結合メモリ(TCM) (ECC保護命令とデータTCMの各128KB)
- 8領域のメモリ保護ユニット(MPU)
- ダブルおよびシングル精度 (32ビットと64ビット) を備えた浮動小数点ユニット(FPU)
- シングルサイクル・スループットを備えた乗算演算ユニット (MAC)
- DSP Thumb®-2準拠命令セット
- クロック管理:
- 32.768kHz超低消費電力内部発振器
- 通常の割り込みまたは非マスク割り込み(NMI)コントローラにルーティングされるクロック故障検出イベント:
- CPU周波数モニタ
- メイン水晶発振器故障検出
- 32.768kHz水晶発振器周波数モニタ
- 独立したウォッチドッグタイマ(WDT)
- 高精度48MHzトリム済内部RC発振器
- システムクロック用のPLL最大2つ、USB高速動作用のPLL 1つ
- 周波数メータ
- 電源管理:
- パワーオンリセット(POR)およびブラウンアウトリセット(BOR)
- 複数の電源管理モード:アイドル、スタンバイ、休止状態、バックアップ、オフモード
- 超低消費電力のリアルタイムクロック(RTC)およびリアルタイムタイマ(RTT):
- グレゴリオ暦と UTC モードを備えた RTC、低電力モードでの波形生成
- 32.768kHz水晶周波数変動を補償するRTCカウンタトリム較正回路
- メモリ:
- 8MB、4MB、2MBインシステム自己プログラム可能フラッシュ:
- エラー訂正コード(ECC =フラッシュ、SRAM、TrustRAM、キャッシュ、TCM)
- 書込中の読取(RWW)サポートがあるデュアルバンク(ライブアップデート)
- 最大4KBのエミュレートされたユーザーOTPメモリ
- 追加の2x 80KBのブートフラッシュメモリ(2x24ページ)
- 最大256KBの密結合メモリ(TCM)(ECC搭載)
- 最大8KBの追加SRAM:
- バックアップモードでの保持が可能
- 8個の32ビットバックアップレジスタ
- 8MB、4MB、2MBインシステム自己プログラム可能フラッシュ:
アプリケーション
- PIC32CZ CA80 MCU:
- 産業用ゲートウェイ
- グラフィック
- 自動車
PIC32CZ CA90マイクロコントローラを使用したセキュリティの実装
ブロック図
スキーム図
公開: 2024-01-12
| 更新済み: 2024-12-20
