特徴
- 3.3kV HV100/LinPak SICモジュールに対応
- 二次絶縁に対する10.2kV一次絶縁
- 拡張スイッチング(オンおよびオフの設定可能)
- モニタリング機能(絶縁温度、DCリンク監視)
- 高度な保護機能(UVLO、OVLO、Desat、負温度係数(NTC))
- 出力電力:2x 10W
- ピークソース/シンク電流:15A
- 構成式ゲート出力電圧
- ソフトシャットダウン(SSD)時間および電圧レベル
- 以下の基準に適合
- 鉄道規格:EN50155
- EN 50121-3-2、EN 61000-6-4に準拠したEMC
- EN 61373に対する衝撃と振動
- 火災危険度:HL2
アプリケーション
- レールトラクション(補助および推進システム)
- バッテリ充電システム
- スマートグリッド/グリッドタイド分配生成
- 無停電電源(UPS)システム
- 産業用モータドライブ
- ヘビーデューティー機器
- 中電圧充電器/急速充電器
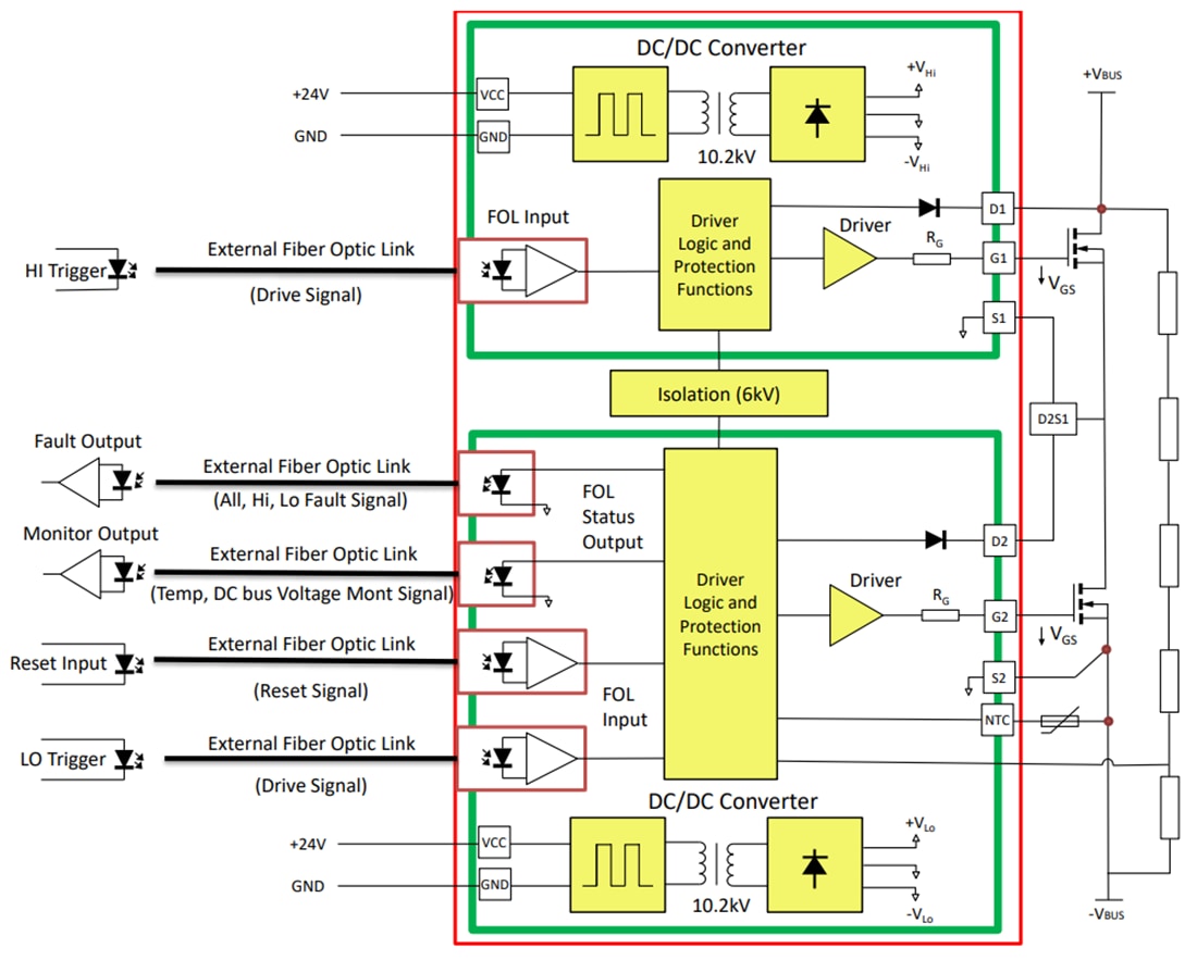
基本回路図
公開: 2025-01-13
| 更新済み: 2025-01-31

