Microsemi / Microchip Le87511シングルチャンネルラインドライバ
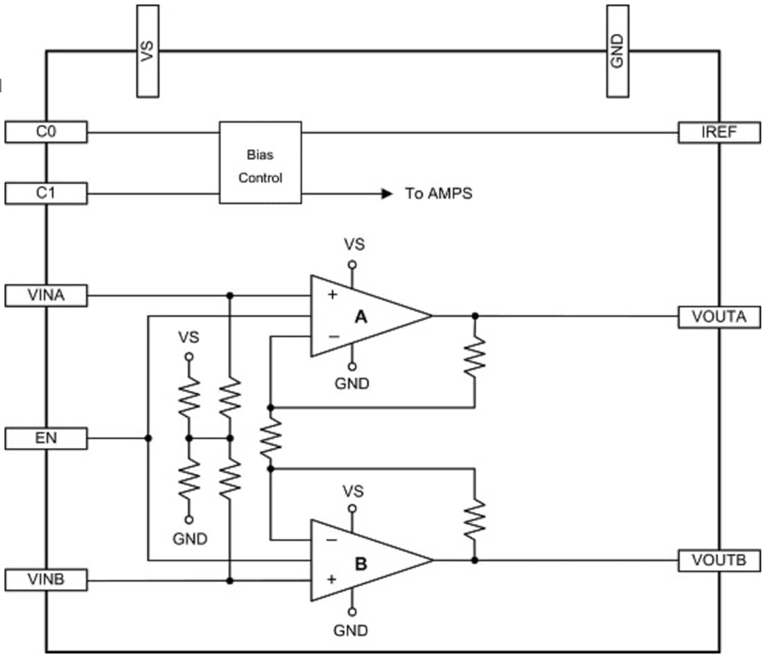
Microsemi / Microchip Le87511シングルチャンネル線ドライバは、ホームネットワークG.hn電力線通信システムで作動するように設計されています。Le87511には、MicrosemiのHV30バイポーラSOIプロセスを用いて設計されたワイドバンドアンプのペアが搭載されており、低電力消費を目的としています。ラインドライバ利得は、内部固定されています。このアンプは、単供給から給電されます。電力と性能を最適化する4つのプリセットバイアスレベルの1つにプログラミングされています。無効状態によって、ラインドライバを送受信用の低消費電力・高インピーダンスモードに強制します。特徴
- 25dB高電圧利得
- 86MHzまでの動作
- Class AB動作
- 低消費電力動作
- 50Ω~200Ωの間でラインインピーダンスを駆動する能力あり
- 制御の有効化/無効化
- 小型16ピン、4x4mm QFNパッケージ
- RoHS準拠
アプリケーション
- 電力線通信(PLC)
- ホームネットワーキング
- HPNA
- G.HN
ブロック図
公開: 2019-10-30
| 更新済み: 2023-06-14
