Microchip Technology HV7360 高速超音波パルサー
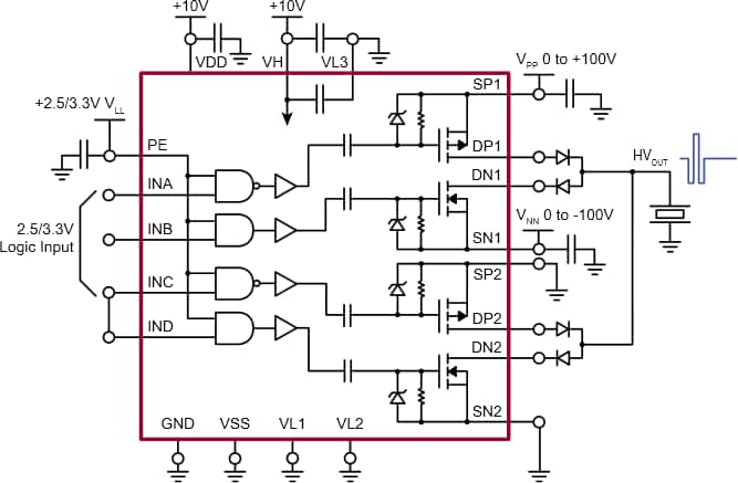
Microchip HV7360は、高電圧・高速のパルスジェネレータで、内蔵の高速ゼロリターン調節FETが付属しています。 Microchip HV7360 高圧・高速集積回路はポータブル医療用超音波画像機器用に設計されていますが、NDTおよびテストの用途にも使用できます。 HV7360は、コントローラ・ロジック・インターフェイス回路、レベル変換器、AC結合MOSFETゲートドライバ、高電圧・高電流Pチャンネル/NチャンネルMOSFETを出力部として搭載しています。各チャンネルのピーク出力電流は±2.5A以上、最大パルススイング±100Vを保証します。ゲートドライバ用のAC結合トポロジーは、2つの浮遊電圧供給を節約するだけでなく、PCBレイアウトを単純化します。特徴
- HVCMOS technology for high performance
- High-density integration AC coupled pulser
- 0 to ±100V output voltage
- ±2.5A source and sink minimum pulse current
- Up to 35MHz operating frequency
- 2.0ns matched delay times
- 2.5, 3.3 or 5.0V CMOS logic interface
- Low power consumption and very simple to use
アプリケーション
- Medical ultrasound imaging
- Piezoelectric transducer drivers
- NDT ultrasound transmission
- Pulse waveform generator
HV7360 Application Diagram
公開: 2013-08-19
| 更新済み: 2022-03-11
