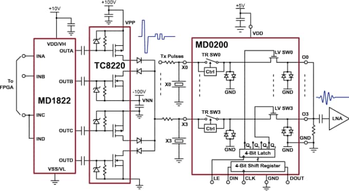
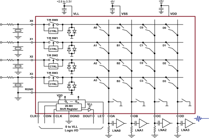
Microchip Technology 超音波T/RスイッチIC
Microchip 超音波T/RスイッチICは高圧電流制限保護を提供します。Microchip 超音波T/RスイッチICは超音波アプリケーションで高圧送信パルスから低ノイズレシーバを保護する目的で設計されていて、一般的にはT/R(送受信)スイッチと呼ばれています。超音波T/RスイッチICは15Ωの標準スイッチ抵抗で、通常クローズドスイッチとされ、小さい信号を通過させます。2つのターミナル間を通る電圧低下が公称電圧を超えると、デバイスがOFFに切り替えられます。オフの状態で、MD0105、MD0200、MD0201はターミナル全体で最高±130Vに、MD0101は±100Vに対応し、少電流(通常200μA)を流せます。超音波T/RスイッチICは、超音波アプリケーション以外にもご利用になれます。電線保護用の再設定可能ヒューズ、出力短絡保護、データ取得にも使用できます。特徴
- Fast switching speed
- Four electrically isolated channels
- No external supplies needed
アプリケーション
- Medical ultrasound imaging
- NDT applications
- Fast resettable fuses
- High side switches
- Data acquisition
View Results ( 2 ) Page
| 部品番号 | パッケージ/ケース | 帯域幅 | データシート | 説明 |
|---|---|---|---|---|
| MD0105K6-G | VDFN-18 | 100 MHz | ![]() |
スイッチ IC - 各種 4CH HV PROTECTION SWITCH |
| MD0101K6-G | DFN-18 | 100 MHz | ![]() |
スイッチ IC - 各種 HV PROTECTION SWITCH W/ CLAMP DIODES |
公開: 2013-04-10
| 更新済み: 2022-03-11

