Mikroe MIKROE-3115 ADC 7 Click
MikroElektronika MIKROE-3115 ADC 7 Clickは、高度32ビット・アナログ・デジタル・コンバータ(ADC)で、入力電圧の極めて正確なサンプリングが可能になる広いダイナミック・レンジが備わっています。このClickには、32ビット・オーバーサンプリングSAR ADCが採用されており、構成可能なLTC2500-32デジタル・フィルタが備わっています。このフィルタによって、複数のプリセット(ハードウェアピンで選択可能)および業界標準SPIインターフェイスからのフィルタリング・パラメータのプログラミングが実現していあmす。LTC2500-32には、1秒につき61サンプルで148dBという高ダイナミック・レンジ、およびノー・ミッシング・コードの32ビット出力が備わっています。MIKROE-3115 ADC 7 Click boardは、外部電圧リファレンスに使用される小型MCP1541固定リファレンスICからLTC2500-32 ADCに至るまで、4.096Vを実現しています。このClick board™は、地震学アプリケーション、高精度計測、エネルギー探査、および非常に高いサンプリング精度が要求される同様の精密アプリケーションに最適です。特徴
- プログラマブル・オプションがある7種類の統合デジタル・フィルタ
- 高ダイナミック・レンジの32ビット・データ出力
- オンボードモジュール:
- 32ビット・オーバーサンプリングSAR ADCが採用されており、構成可能なLTC2500-32デジタル・フィルタ搭載
- 61SPSで148dBの高ダイナミック・レンジ
- ノーミッシングコードによる32ビット出力
- Analog DevicesのLTC2057オペレーショナル・アンプ
- 高電圧、低ノイズ、ゼロドリフト
- 4.096Vを実現しているMicrochipのMCP1541固定リファレンス電圧IC
- 32ビット・オーバーサンプリングSAR ADCが採用されており、構成可能なLTC2500-32デジタル・フィルタ搭載
- 広範なコモンモード電圧によって、さまざまな種類のバイポーラおよびユニポーラ入力信号のサンプリングが実現
アプリケーション
- 高精密計測機
- 地震学アプリケーション
- 非常に高いサンプリング精度を必要とする機密アプリケーション
- エネルギー探査アプリケーション
概要
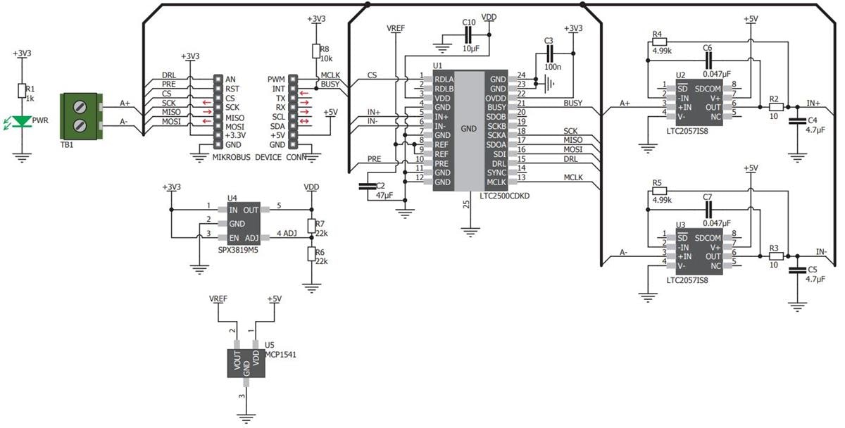
回路図
公開: 2018-10-24
| 更新済み: 2022-08-25
