Mikroe Flash 4 click (MIKROE-3191)
MikroElektronika MIKROE-3191 Flash 4 clickは、さまざまな組み込みアプリケーションにおける大容量記憶媒体のソリューションです。Flash 4 clickは、コード・シャドウイング、インプレース実行(XIP)、データ・ストレージに使用できます。Flash 4 clickは、高性能MirrorBit®技術とEclipse™アーキテクチャの組み合わせによるS25FL512Sフラッシュ・メモリ・モジュールが特徴です。512Mbit SPIフラッシュ・メモリ・モジュールは、市販されている最速かつ最も信頼性の高いフラッシュ・モジュールの1つです。特徴
- 100,000書込サイクルという高耐久性
- 高度セクター保護(ASP)
- セキュアOTPメモリ・ブロック
- 1KBのOTPメモリ
- 高転送速度
- IC固有の情報の簡単な検索を目的としたSFDPモード
- 起動性能を向上させるオートブート機能
- インターフェイス: QSPISPI
- 入力電圧: 3.3Vまたは5V
- オンボード・モジュール: CypressのS25FL512S、512 Mbit SPIフラッシュ・メモリ・モジュール
アプリケーション
- マルチメディア・デバイスとデータ・ドライブの大容量記憶媒体オプションです。
- 組込アプリケーション、セキュア・ストレージ、および信頼性の高いデジタル情報の永久保存が必須の類似アプリケーションの非揮発性データ・ストレージです。
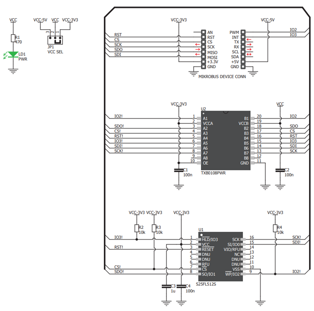
回路図
概要
公開: 2018-12-20
| 更新済み: 2023-04-25
