Mikroe MUX 2 click (MIKROE-3245)
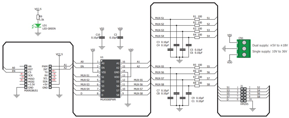
MikroElektronika MIKROE-3245 MUX 2 clickは、8つの入力を1つの出力に切り替えるClick board™です。Texas Instrumentsによって製造された現代のCMOSアナログ多重化集積回であるMUX508が採用されています。この統合回路は、±5V~±18Vの範囲のデュアル電源および±10V~36Vの範囲の単電源の両方で給電できます。このデバイスは、レールツーレールの動作によって、入力信号が歪みなく、電源の電圧までスイングアップ(およびスウィングダウン)できるようにします。この回路は、ブレイクビフォアメイク・スイチング動作、静電放電最高2kV、低オン抵抗と小さな入力電流漏洩、といった機能によって、ユニポーラおよびバイポーラ信号の両方で動作するさまざまなスイッチング回路を対象としたソリューションとなっています。特徴
- ブレーク・ビフォア・メーク・スイッチング動作
- 静電放電保護: 最大2kV
- 低オン抵抗および小さな入力電流漏洩
- 汎用入出力プロトコル・インターフェイス
- 入力電圧: 5V
- M Click boardサイズ (42.9mm x 25.4mm)
アプリケーション
- 自動化とプロセス制御
- プログラマブルロジックコントローラ
- デジタル・マルチメータ
- バッテリ・モニタリング
- 差動信号スイッチングを必要とするアプリケーション
回路図
概要
公開: 2019-01-02
| 更新済み: 2022-08-08
