Mikroe MUX click (MIKROE-3247)

MikroElektronika MIKROE-3247 MUX clickは、4つの差動入力を1つの差動出力に切り替えるClick board™です。MUX clickには、Texas Instrumentsによって製造された現代のCMOSアナログ多重化集積回であるMUX509が採用されています。この統合回路は、±5V~±18Vの範囲のデュアル電源および±10V~36Vの範囲の単電源の両方で給電できます。レールツーレールの動作によって、入力信号が歪みなく、電源の電圧までスイングアップ(およびスウィングダウン)できるようにします。

特徴

  • ブレーク・ビフォア・メーク・スイッチング動作
  • 静電放電保護: 最大2kV
  • 低オン抵抗および小さな入力電流漏洩
  • GPIO(汎用入力/出力)インターフェイス
  • 入力電圧: 5V
  • M Click boardサイズ (42.9mm x 25.4mm)

アプリケーション

  • 自動化とプロセス制御
  • プログラマブルロジックコントローラ
  • デジタル・マルチメータ
  • バッテリ・モニタリング
  • 差動信号スイッチングを必要とするアプリケーション

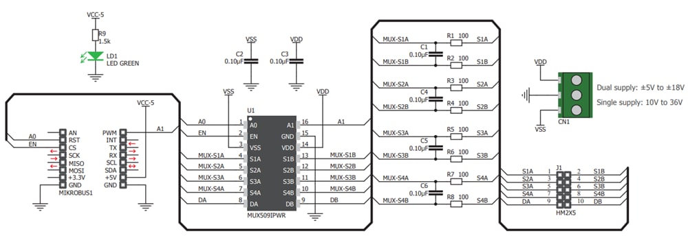
回路図

回路図 - Mikroe MUX click (MIKROE-3247)

概要

ブロック図 - Mikroe MUX click (MIKROE-3247)
公開: 2019-01-02 | 更新済み: 2022-08-08