Mikroe PIXI™ Click Board
MikroElektronika PIXI™ Click Boardは、アナログとデジタルの両方の機能を必要とする混合信号アプリケーション向けに設計されています。PIXIは、プログラマブル混合信号In/Outの省略形であり、デジタル信号とアナログ信号の両方の非常に柔軟に富んだルーティングテクノロジーが可能になります。このクリックボードには、MAX11300 IC、20チャンネル混合信号データコンバータが装備されており、デジタル信号とアナログ信号を柔軟にルーティングできます。MAX11300 ICはの各混合信号ポートは、ADC入力、DAC出力、またはアナログスイッチ端子として個別に設定できます。このPIXI click boardは、12ビットマルチチャンネルSAR ADC、バッファ済DAC、および接合部ならびに環境温度を追跡するための温度センサが特徴です。PIXI click boardは、パワーアンプ、自動ファンスピードコントローラ、デジタルレベルシフタのバイアスの監視と調整に最適です。特徴
- MAX11300 20-channel mixed-signal data converter
- Single IC allows realization of many mixed signal applications
- Wide range of input and output voltages
- Interfaces
- General purpose input/output (GPIO)
- Serial peripheral interface (SPI)
- 4.75V to 5.25V analog power supply voltage (AVDD)
- 2.50V to 5.50V digital power supply voltage (DVDD)
- 15.75V external supply positive voltage (AVDDIO)
- 12V external supply negative voltage (AVSSIO)
- Power LED indicator
- -40°C to +150°C operating temperature range
アプリケーション
- Digital level shifters
- Automatic fan speed controllers
- Monitoring and adjusting the bias on power amplifiers
Overview
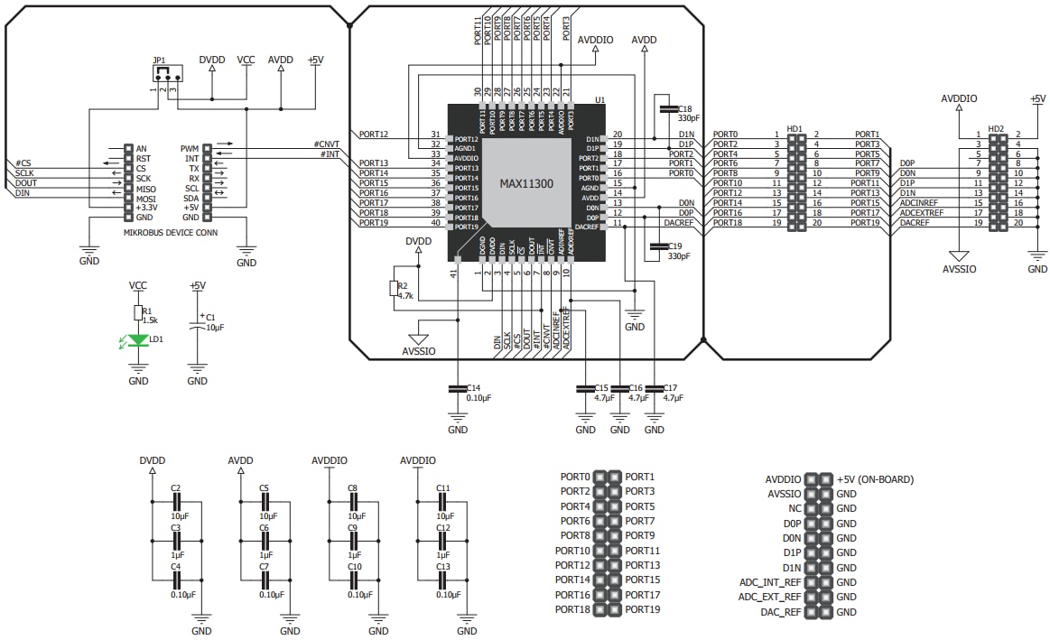
Schematic
公開: 2018-01-19
| 更新済み: 2022-07-28
