Minebea Standard Round Brush DC Motors
Minebea Standard Round Brush DC Motors are available with outer diameters from 24mm to 38.8mm and are an ideal solution for high-speed, low-life applications. The brush DC motors feature custom add-ons such as gearboxes and encoders in addition to plug-and-play solutions. These Minebea standard round brush DC motors feature industry-standardized frame sizes, gearboxes, and encoders. The round brush DC motors are ideally used in door locks, automotive vending machines, healthcare, and beauty equipment.Features
- Available from 24mm OD to 38.8mm OD sizes
- Offered in metal brush (low current, low noise) or carbon brush (high power, long life) variants
- Cost-competitive
- In-house production
- Plug and play - driver electronics are not necessary
- Industry standardized frame size
- Gearboxes
- Encoders
Specifications
- M36N-5
- 24V voltage rating
- 65mm length
- M25N-2
- 31V voltage rating
- 30.8mm length
- M22E-13
- 3.5V voltage rating
- 18mm length
Applications
- Door locks
- Office automation (printers, scanners, copiers)
- Healthcare and beauty equipment
- Automotive
- Vending machines
Dimension Diagram - M25N-2
Dimension Diagram - M22E-13
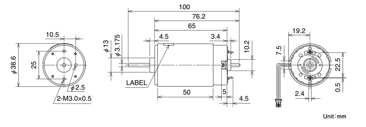
Dimension Diagram - M36N-5
Additional Resources
公開: 2022-09-02
| 更新済み: 2025-09-15
