Monolithic Power Systems (MPS) EV2650-V-01A Evaluation Board
Monolithic Power Systems (MPS) EV2650-V-01A Evaluation Board is designed to evaluate and demonstrate the MP2650, a highly integrated buck or boost charger IC. This board features a 4V to 21V operating input voltage range, up to 28V (20ns) sustainable VIN, and I2C interface to support flexible parameter control. The EV2650-V-01A board also features up to 5A configurable input current limit (up to 45W total power) and 600kHz, 800kHz, 1MHz, or 1.25MHz configurable switching frequency. This MP2650 is available in a QFN-30 (4mm x 5mm) package and is ideal for tablets, notebooks, BLUETOOTH® speakers, and portable gimbals.Features
- Buck or boost charger for battery packs with 2 to 4 cells in series
- All switching MOSFETs are integrated
- Narrow-Voltage DC (NVDC) power management with an integrated battery FET
- Configurable VIN limit
- System power indication via the PSYS pin
- IIN and battery current monitoring via the IAM and IBM pins
- Input Over-Voltage Protection (OVP), battery temperature protection, battery OVP, and system OVP
- Configurable safety charge timer
- Thermal regulation and shutdown
- Input power source status indication pin
- I2C interface to support flexible parameter control
- Comprehensive fault and status reporting in the register
- Configurable OTG output current (IOUT) limit
- Short-Circuit Protection (SCP) in OTG mode
- Available in a QFN-30 (4mm x 5mm) package
Specifications
- 600kHz, 800kHz, 1MHz, or 1.25MHz configurable switching frequency (fSW)
- Up to 5V/3A USB On-The-Go (OTG)
- 4V to 21V operating input voltage (VIN) range
- Up to 28V (20ns) sustainable VIN
- Up to 5A configurable input current (IIN) limit (up to 45W total power)
- Up to 5A configurable charge current
- Up to 4.5V/cell configurable battery charge voltage regulation
Applications
- Tablets and notebooks
- BLUETOOTH® speakers
- Portable gimbals
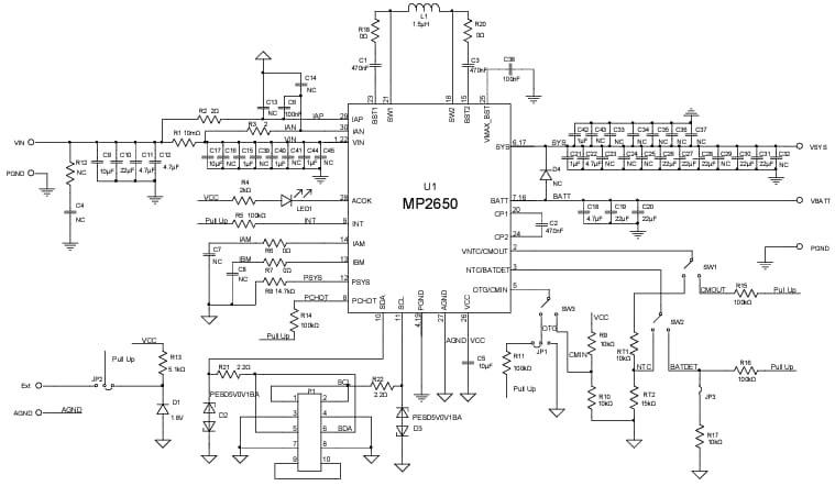
Schematic Diagram
公開: 2023-05-31
| 更新済み: 2023-06-20
