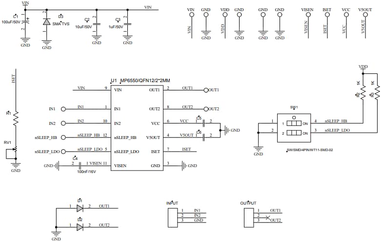
Monolithic Power Systems (MPS) EV6550-G-00A Evaluation Board
Monolithic Power Systems (MPS) EV6550-G-00A Evaluation Board is designed to evaluate MP6550 H-bridge inverters with a pulse width modulation (PWM) input interface. The MP6550 motor driver consists of four N-channel power MOSFETs and an internal charge pump to generate gate-drive voltages. This MPS EV6550-G-00A board operates at a 1.8V to 22V supply voltage range and is available in the QFN2X2-12 package with a 6.35cm x 6.35cm x 1cm dimension. Typical applications include robotics, cameras, toys, medical devices, consumer products, and solenoid drivers.Features
- Short-circuit protection
- Thermal shutdown protection
- Low standby circuit current
- Evaluates MP6550 inverters
- QFN 2X2-12 package
Applications
- Solenoid drivers
- DC brush motor drives
- Robotics
- Cameras
- Toys
- Medical devices
- Consumer products
Specifications
- 1.8V to 22V input voltage range
- 2A output current
- 6.35cm x 6.35cm x 1cm dimensions
- -40°C to 125°C operating temperature range
Schematic
公開: 2020-08-04
| 更新済み: 2024-09-09
