Monolithic Power Systems (MPS) EV8795H-LE-00A Evaluation Board
Monolithic Power Systems (MPS) EV8795H-LE-00A Evaluation Board facilitates an extensive evaluation of the MP8795H. The MP8795H is a high-efficiency, monolithic, synchronous step-down converter. The MP8795H adopts an internally compensated constant-on-time (COT) control mode that allows fast transient response and eases loop stabilization. The EV8795H-LE-00A Evaluation Board delivers a 20A continuous load current over a wide operating input range. With a wide output current load range, the EV8795H-LE-00A can achieve high efficiency.The MPS EV8795H-LE-00A Evaluation Board enables on or off via a remote ON/OFF input (EN) that is referenced to the ground. This input is compatible with popular logic devices.
Features
- Wide input voltage range from 2.7V:
- 2.7V to 16V with external 3.3V VCC bias
- 4V to 16V with Internal VCC bias or external 3.3V VCC bias
- Differential output voltage remote sense
- Programmable accurate current limit level
- 20A Output current
- Low RDS(ON) integrated power MOSFETs
- Adaptive COT for ultrafast transient response
- Stable with a zero-ESR output capacitor
- Forced-CCM operation
- Excellent load regulation
- Output voltage tracking
- Output voltage discharge
- PGOOD Active clamped low level during power failure
- Programmable soft-start time from 1ms
- Pre-bias startup
- Selectable switching frequencies of 600kHz, 800kHz, and 1000kHz
- Non-latch OCP, OVP, UVP, UVLO, thermal shutdown
- Output adjustable from 0.6V to 90% Vin, up to 5.5V max
- Available in a QFN 3mm x 4mm package
Applications
- Flat-panel televisions and monitors
- Multi-functional printers
- Access points and routers
- Optical modules
Overview
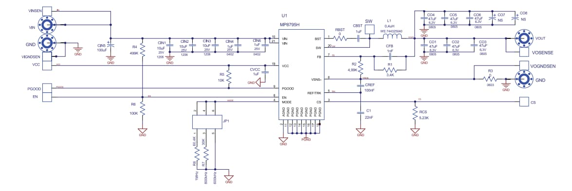
Schematic
公開: 2022-05-19
| 更新済み: 2023-08-01
