Monolithic Power Systems (MPS) EVQ4571-QB-00A Buck Converter Evaluation Board
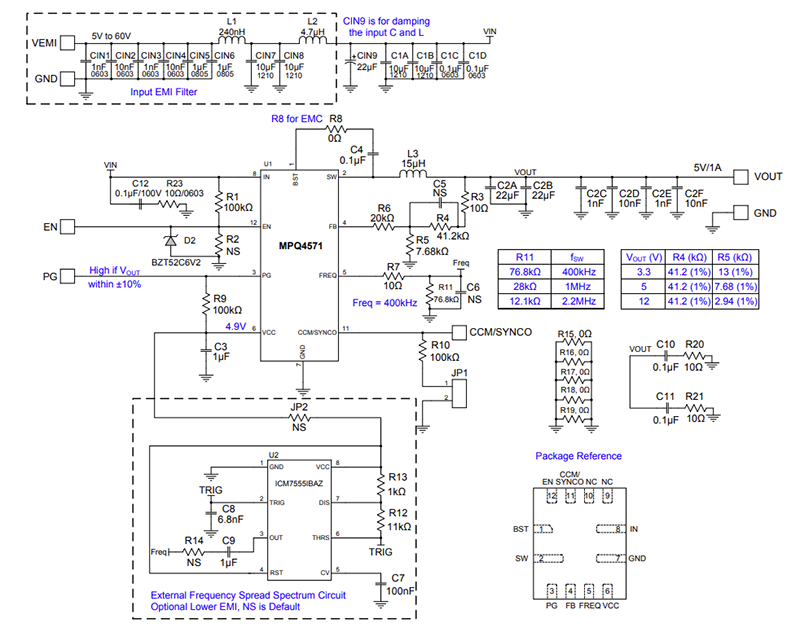
Monolithic Power Systems (MPS) EVQ4571-QB-00A Buck Converter Evaluation Board demonstrates the capabilities of the MPQ4571 / MPQ4571-AEC1 fully integrated, fixed-frequency, synchronous step-down converters. The MPQ4571 / MPQ4571-AEC1 employs advanced asynchronous mode (AAM) to achieve high efficiency under light-load conditions by scaling down the switching frequency. The scale down reduces switching and gate-driving losses. The fully assembled and tested EVQ4571-QB-00A evaluation board generates a 5V output voltage at load currents up to 1A from a 5V to 60V input range.Features
- Wide 5V to 60V operating input range with 1A continuous output current
- High-efficiency synchronous mode control
- 250mΩ/45mΩ internal power MOSFETs
- Configurable frequency up to 2.2MHz
- 180° out-of-phase SYNCO clock
- 40μA quiescent current
- Low 2μA shutdown mode current
- Selectable AAM or forced CCM operation at light-load
- Internal 0.45ms soft start
- Remote EN control
- Power good indicator
- Low-dropout mode
- Over-current protection
- Thermal shutdown
- Available in a QFN-12 (2.5mm x 3mm) package
- AEC-Q100 Grade 1 qualified
Applications
- Automotive systems
- Industrial power systems
Schematic
公開: 2023-01-24
| 更新済み: 2023-01-27
