Monolithic Power Systems (MPS) EVQ6532-V-00A Evaluation Board
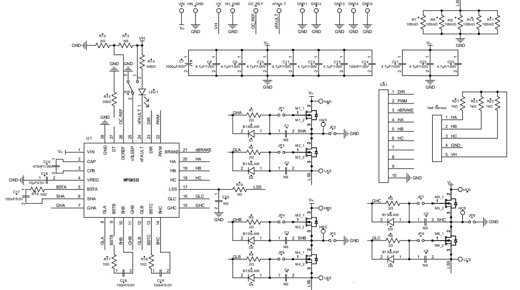
Monolithic Power Systems (MPS) EVQ6532-V-00A Evaluation Board is compatible with MPQ6532, a three-phase brushless DC motor pre-driver. This evaluation board operates on an input voltage range of 5V to 60V and 1.4µs of typical dead time. The EVQ6532-V-00A evaluation board is configured to drive three half-bridges, which consist of six N-channel power MOSFETs. This evaluation board includes hall sensors integrated into the motor to provide the rotor position information, and the external controller generates the driving control signals.Features
- 5V to 60V input voltage range (VIN)
- 0.125V to 2.4V OC_REF voltage (VOC_REF)
- 3.3V or 5V of VH voltage (VH)
- 1.4µs of typical dead time
- 11.7cm x 7.8cm dimensions
Schematic
公開: 2022-09-01
| 更新済み: 2022-09-29
