Monolithic Power Systems (MPS) MP4410 Step-Down Converters
Monolithic Power Systems (MPS) MP4410 Step-Down Converters are high frequency switching regulators with built-in high-side/low-side high voltage MOSFETs. These converters offer an output up to 100mA with an operation range of 4.5V to 36V. The series is designed for use in a variety of automotive input environments. A 5µA quiescent current in shutdown mode makes the MP4410 suitable for battery-powered applications. Higher power conversion efficiency is achieved over a wide load range by scaling down the switching frequency under light load conditions. MPS MP4410 Step-Down Converters come in a 3mm x 3mm QFN10 package.Features
- 20µA quiescent current
- Wide 4.5V to 36V operating range
- 42V integrated MOSFETs with 0.7Ω and 2.25Ω RON
- Programmable switching frequency
- Stable with ceramic output capacitors
- Low output ripple
- Programmable soft-start
- Adjustable input UVLO hysteresis
- Precision peak current limit without current-sensing resistor
- Programmable peak current limit
- >90% efficiency at 10V VIN to 5V VOUT/2mA
- 1.0V feedback reference Voltage
- Low <5µA shutdown mode current
- 3mm x 3mm QFN10 package
Applications
- 4mA to 20mA current loops
- Automotive systems
- Industrial power systems
- Distributed power systems
- Battery-powered systems
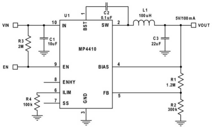
Application Diagram
公開: 2015-05-14
| 更新済み: 2022-03-11
