Monolithic Power Systems (MPS) MPQ8785 Digital Synchronous Step-Down Converters

Monolithic Power Systems (MPS) MPQ8785 Digital Synchronous Step-Down Converters are fully integrated, PMBus-compliant, high‑frequency synchronous buck converters. The MPS MPQ8785 delivers up to 40A of output current (IOUT) per phase in an exceptionally compact solution, offering excellent line and load regulation across a wide input voltage (VIN) range. The devices maintain high efficiency throughout the full load spectrum.

Through the PMBus interface, the MPQ8785 supports flexible configuration and real-time monitoring of key operating parameters. The devices incorporate MPS’s proprietary digital multi-phase constant‑on‑time (MCOT) control architecture, which enables fast transient response and simplifies loop stabilization. The MCOT scheme also supports paralleling multiple MPQ8785 devices, ensuring superior current sharing and phase interleaving for high‑current applications.

Comprehensive, built‑in protection features include over‑current protection (OCP), over‑voltage protection (OVP), under‑voltage protection (UVP), and over‑temperature protection (OTP). The MPQ8785 requires only a minimal set of easily sourced standard external components and is offered in a compact TLGA‑37 (5mm × 6mm) package.

Features

  • PMBus 1.3 compliant
  • Scalable multi-phase operation
  • 3.1V to 16V VIN range with external 3.3V VCC bias
  • Continuous 40A IOUT
  • Phase redundancy to ensure uninterrupted operation
  • Lossless and accurate on-die current sensing with auto-matching
  • Accurate current balance control in multi-phase operation
  • Quiet Switcher™ Technology (QST) to mitigate switching noise
  • Fault recording (BBOX) to ease failure analysis
  • Automatic PMBus address assignment to provide auxiliary phase data reading
  • Adaptive MCOT control for an ultra-fast transient response
  • Stable with zero-ESR output capacitors
  • 0.5% reference voltage (VREF) across 0°C to +85°C junction temperature (TJ) range
  • 1% VREF across -40°C to +125°C TJ range
  • Output voltage (VOUT) adjustable from 0.35V to 0.9 x VIN, up to 5.5V maximum
  • VOUT, IOUT, VIN, and TJ reporting
  • Built-in multiple-time programmable (MTP) memory to store custom configurations with cyclic redundancy check (CRC)/checksum
  • Configurable via the PMBus
    • VOUT
    • IOUT limit
    • Soft-start time
    • Selectable 300kHz up to 2MHz switching frequency (fSW)
    • OCP, OVP, UVP, and OTP with options for hiccup or latch-off mode
    • Ramp compensation
  • Available in a TLGA-37 (5mm x 6mm) package
  • Moisture Sensitivity Level (MSL) 3
  • Lead-free, Halogen-free, and RoHS-compliant

Applications

  • Telecom and networking systems
  • Base stations
  • Servers

Specifications

  • 3.1V to 16V operating supply voltage range
  • 3.1V to 3.6V operating VDRV/VCC range
  • 0.35V to 5.5V operating output voltage range
  • 20MHz typical remote-sense amplifier bandwidth
  • 300kHz to 2000kHz switching frequency range
  • 780kHz typical ADC sample rate
  • 20mV/µs typical output slew rate
  • Configurable thermal protection
    • +145°C typical TP fault rising threshold
    • +20°C typical hysteresis
  • MOSFET
    • 1.1mΩ to 4.1mΩ typical RDS(ON)
    • 200nA maximum switch leakage, 0nA typical
  • -40°C to +125°C operating junction temperature range
  • +170°C maximum junction temperature
  • +260°C maximum lead temperature
  • 2.8°C/W to 10.6°C/W thermal resistance range
  • ESD ratings
    • Human body model (HBM) Class 1C
    • Charged-device model (CDM) Class C2b

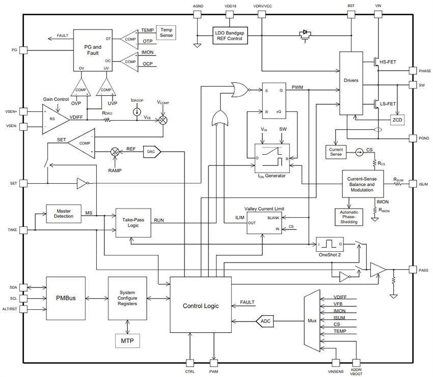
Functional Block Diagram

Block Diagram - Monolithic Power Systems (MPS) MPQ8785 Digital Synchronous Step-Down Converters
公開: 2026-02-05 | 更新済み: 2026-02-18